寬帶GaAs MMIC功率放大器 陶瓷封裝0.7至2.2GHz頻段 美國進口功率放大器現貨出售
2018-06-28 14:50:37
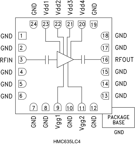
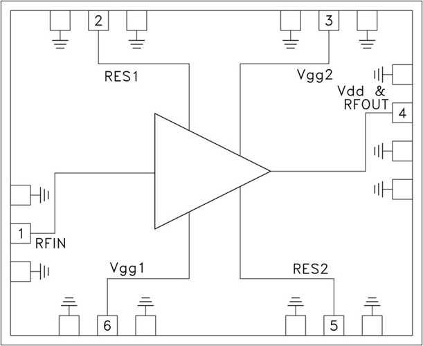
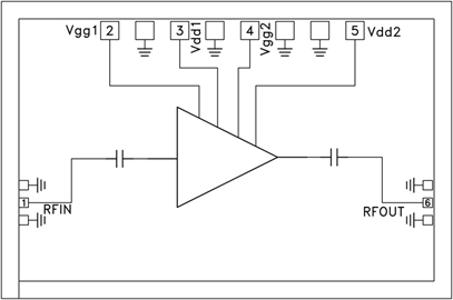
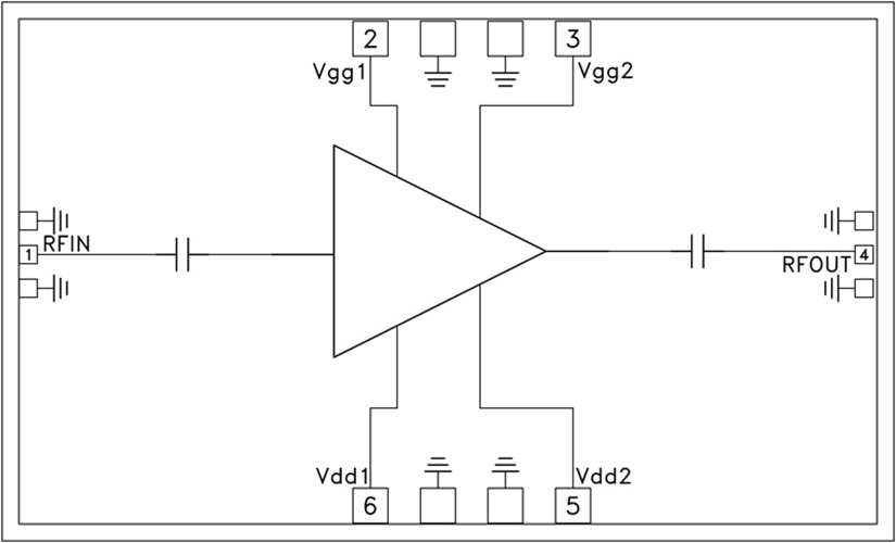
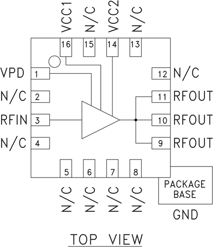
AMCOM的AM072249WM是寬帶網絡GaAs MMIC所在額定功率變大器。它有這個個30dB小數據信息增加收益和39 dBm(8W)趨于穩定所在的額定功率CW功效所在額定功率高于0.7至2.2GHz頻段。MMIC在2個集成塊(-00—R)中帶來了。包(-SN-R)表格。AM072249WM SN-R是陶瓷圖片封裝中的其中一種。法蘭部和直RF和DC導致零件走低