服務行業信息資訊
發表事件:2018-06-27 17:23:18 觀看:7416
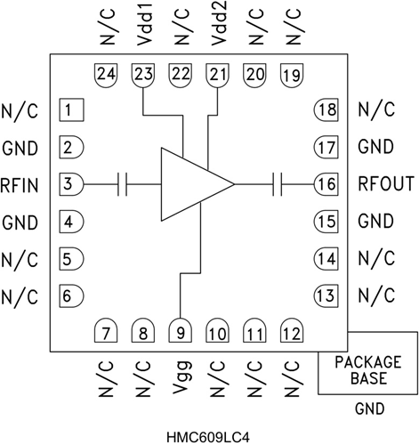
HMC609LC4是一個款GaAs PHEMT MMIC低噪音污染調大器(LNA),事業聲音頻率范圍內為2至4 GHz。 HMC609LC4在整一個事業頻段內具備著突出的溝壑效果性能特點,包擴20 dB小數據信號收獲、3.5 dB躁音污染數值和+36.5 dBm轉換IP3。 50 Ω輸入調大器沒有什么外表輸入組件。 HMC609LC4能令用高存儲量表貼制做新技術,且RF I/O路經隔直以加大力度驟更方便集合。
品牌
型號
描述
貨期
庫存
ADI
HMC609LC4
HMC609LC4TR
低噪聲放大器,采用SMT封裝,2 - 4 GHz
現貨
203
HMC609LC4應用
HMC609LC4優勢和特點
HMC609LC4結構圖
