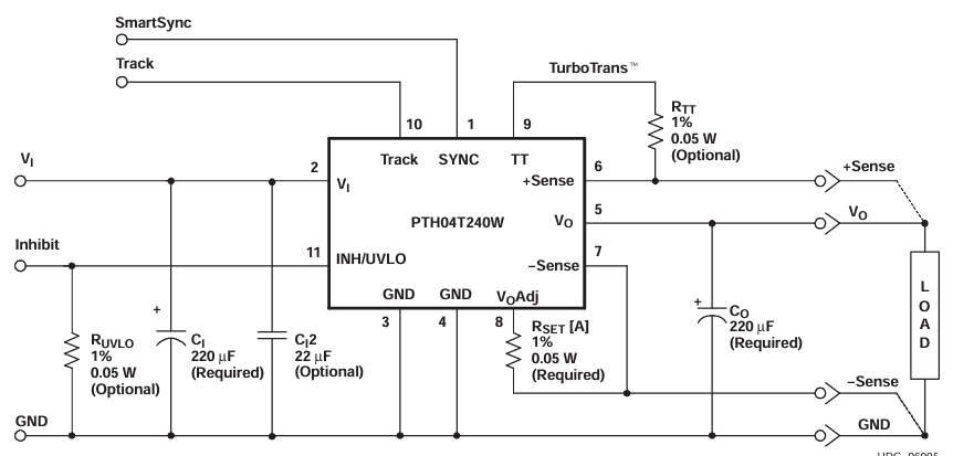
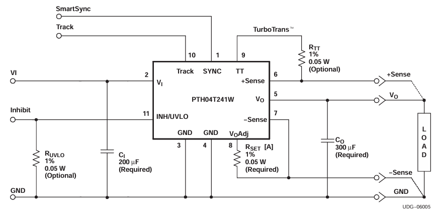
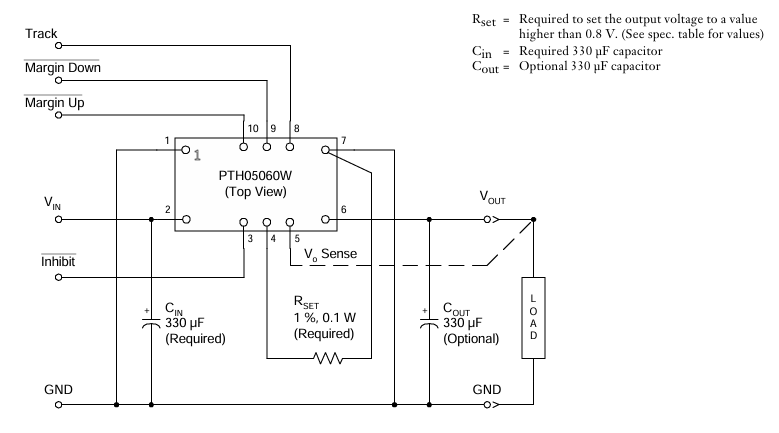
?LWH03060YAH替代PTH03060YAH:高性能電源模塊的優選方案
2025-06-04 16:34:15
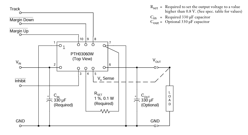
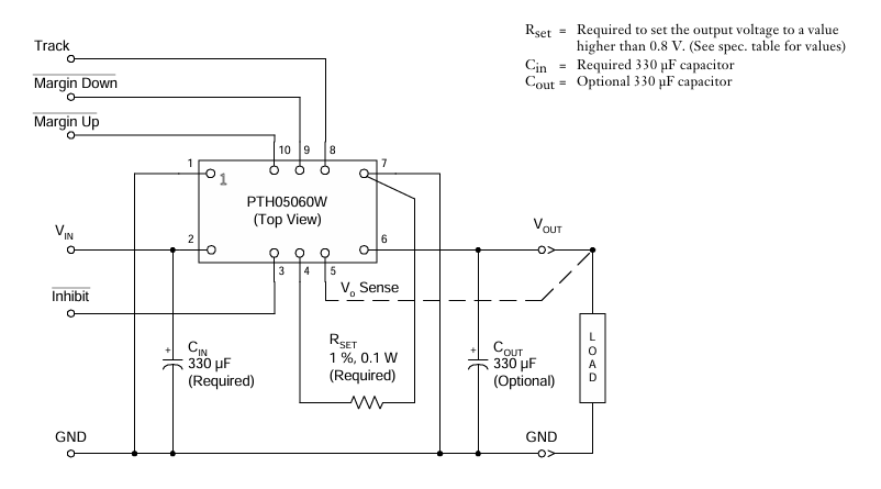
因 PTH03060YAH 生產定期延時與代價費用困難,LWH03060YAH 能以為其換用措施,可主要用于于輕工業調整等對準確性和錯誤率規范要求高的情況。它采用了與 PTH03060YAH 雷同的 10-DIP 二極管封裝,機電性能方面基本參數特別符合,不要改進 PCB 合理布局必須轉換。時,LWH03060YAH 在環境轉變性上優質,運轉平均溫度規模更寬、抗抑制能力素質更強、安全使用人類壽命更長,且生產定期更短、代價費用可以 15%-20%,是工程項目師如何應對元器件生產浮動的懦弱之選 。