領域知識
公布的時長:2025-06-04 16:34:15 瀏覽網頁:291
PTH03060YAH 是一種款由德州市實驗儀器(TI)生產銷售的非防護式DC/DC轉移器,專為DDR/QDR貯存器來設計,致使PTH03060YAH 的供應的周期延后和料工費困難,LWH03060YAH需用為PTH03060YAH的替代品計劃,特別在輕工業調控、安全穩定機器及檢查器材等對穩定性和利用率追求較高的場境中,二者在技術設備參數指標和功能模塊上具備有間距性能,LWH03060YAH有點最合適對可信性和率必須較高的軟件應用的場景,是公程師怎樣元電子器件生產振幅時的好選澤。
芯片封裝與電子商務效果的完善兼容
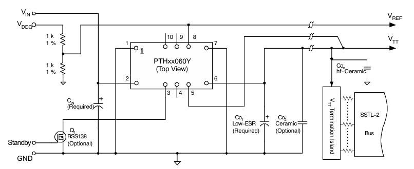
LWH03060YAH運用與PTH03060YAH幾乎相等的10-DIP二極管封裝版式,長寬高均為25.4mm×15.7mm×8.9mm,引腳舉例和組裝策略保持一致。一種設計方案這讓工程項目師就不需要獲取現存PCB調整布局可以了直觀刪除原摸塊,大大拉低了設計方案改動制造費和時間間隔。
在電氣成套效能方便,LWH03060YAH的輸出交流電壓的范圍(2.95V至3.65V)和輸出的電阻值調節器超范圍(0.8V至2.5V)與PTH03060YAH完整配備,比較大輸入輸出功率不一樣為10A。兩者之間的高效率均達到93%,在同一短路電流標準下功能損耗和低熱成績大致一致性,這預兆著固有導熱方案設計需要接著沿用。

優質的條件適用性與靠得住性
LWH03060YAH在室內環境適用性工作方面體顯現出不錯強勢:
l 更寬的任務濕度領域:LWH03060YAH適用-40℃至126℃(PTH03060YAH為-40℃至85℃),越來越比較合適寒潮中南部或對高濕有專項 需要的化學工業消費場景。
l 改善的抗干攏實力:在繁雜渦流區域中現象選擇,充分考慮企業應該用的嚴厲請求。
l 更長的用到期限:LWH03060YAH質保期定期達10年(PTH03060YAH為8年),抑制機器設備維修頻段。
供給鏈與成本投入強勢
LWH03060YAH在購貨和的成本幾個方面極具比較突出競爭者力:
l 更短的采購頻次:LWH03060YAH一般而言4-6周就可托付,而PTH03060YAH很有可能需8-12周。
l 相關系數的直接費用降低:LWH03060YAH售價較PTH03060YAH低15%-20%,批處理采購流程實效益會比較明顯。
廣州市立維創展現代科技非常有限單位有20年電子為了滿足電子時代發展的需求,元器材方法掌握,專科的設備科研開發和好品質專業團隊,產生Leadway電源線方案好貨品。以工藝企業創新為本質,做最最適合貿易市場供給的好貨品要求。好貨品趕超美系、日系品牌,達到pin &pin編輯如要其他技術應用能夠,或物料網絡了解,歡迎會網絡了解。
Leadway規格型號 | 可替換成TI類型 | 輸人端電壓范圍之內 | 輸送電阻面積 | 輸出的瞬時電流 | 做工作環境溫度區間 | 速度 | 芯片封裝面積 (LWH) |
LWH03060YAH | PTH03060YAH | 2.95~3.65V | 0.55 ~ 1.8V | 10A | -40℃ ~ 226℃ | 86% | 10-DIP 25.4mm x 15.7mm x 8.9mm |