制造業信息資訊
發布消息時長:2025-08-04 16:36:33 手機瀏覽:87

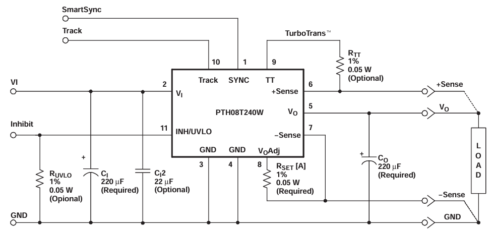
在國際制造鏈深度1修整與本國化大趨勢減速的當下,德國進口交流電源包塊正將迎來競爭戰略級成長鍥機。最為TI精典應用PTH08T241WAD的產的化提升情況報告,Leadway投入市場的LWH08T241WAD進行全自主學習磁路設計構思進行96%基線使用率,并在-40℃至125℃寬溫域內實現穩固轉換,其鄉土化產線與迅速的加載業務標準體系,為制造出業產品制造出商供給了相輔相成技術性先進集體性與批發商鏈的安全問題的優先方法。
因素可比性
關鍵因素參數設置 | LWH08T241WAD(國內充當) | PTH08T241WAD(TI原裝進口) |
鍵入直流電壓位置 | 4.5 V – 14 V | 4.5 V – 14 V |
輸出交流電壓交流電壓區間 | 0.69 V – 5.5 V(可手動調節) | 0.69 V – 5.5 V(可調式) |
額定負載所在直流電壓 | 10 A | 10 A |
二極管封裝/引腳 | 11-Pin DIP(通孔) | 11-Pin DIP(通孔) |
寬度(L×W×H) | 22.1 mm × 15.7 mm × 8.6 mm | 22.1 mm × 15.7 mm × 8.6 mm |
運轉水溫范圍圖 | –40 °C ~ 98 °C | –40 °C ~ 85 °C |
速率 | 典例 95 % | 關鍵 96 % |
技能特征參數 | 搭載 TurboTrans 等效便捷瞬態回應 | 原車 TurboTrans 新技術 |
兼容/使用方式英文 | PIN-TO-PIN 原位用于 | — |
其優勢概述
耐持續高溫安全性能:LWH08T241WAD的工作中溫濕度規模映射至-40℃至125℃,大部分個人信息甚至會表明其可擁有超過176℃的高熱,比起來PTH08T241WAD的-40℃至85℃,體現了更強的耐溫度過高效果。這特質使其比較使使用在特別自然環境或溫度過高化工業情景,如在戶外通信設備基站天線、轎車電子技術等。
投入資源優勢:最為產的24v電源控制模塊,LWH08T241WAD的的價格一般是高出進品商品,可促進中小型企業有效降低10%~30%的選購代價,更好提拔純利潤的空間。
生產鏈穩界定性:LWH08T241WAD的交付時間是更短,普通只需1~2周,合理解決了缺貨危險 ,保障措施了生產制造的不間斷性。這這對于需要盡快加載失敗賣場不同的制造業企業當今社會尤其極為重要。
國內化實際價值:LWH08T241WAD適合我國“信創”政策措施主導性,很大適在于地方政府、軍用等對銷售鏈綜合性可控性想要嚴要求的科技領域,助力器制造業企業實行國內生產化帶替,優化銷售鏈安全管理性。
軟件場景設計
l 工農業管理范圍:適采用于PLC、定頻器、臺達伺服電機驅使器等要有高耐用性交流電源的場所,保證設備增強操作。
l 通訊裝置教育領域:實主要用于5G移動通信基站、光模快、相互poe交換機等對濕度適應區域性必須高的設配,實現有難度區域下的開關電源具體需求。
l 車輛手機范圍:適中用于車載多媒體能充電機、充電電池監管系統性(BMS)等耐低溫景象,的提升各類汽車光學機 的可信度性和很安全穩定。
北京市立維創展科枝非常有限子公司有了20年光電元器材技木日常積累,專業化的產品設備產品開發和產品品質團隊合作,提供Leadway開關電源組件企業設備。以技巧研發為重點,做最適宜市場的具體需求的企業設備尺寸。企業設備競品美系、日系小清新,推動pin &pin轉換如是需要很多高技術支持招聘軟件,或廠品顧問,喜歡顧問。