產業咨詢
更新時段:2025-06-20 16:43:33 閱讀:277
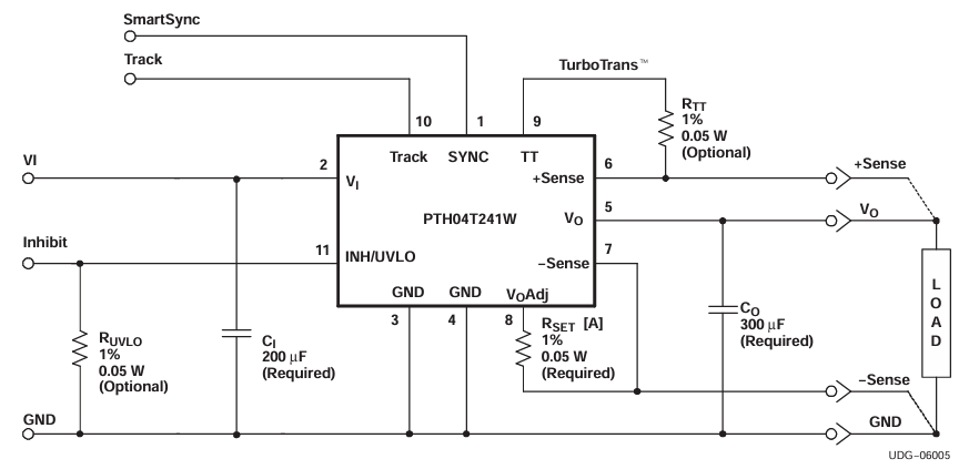
德州市機器設備(TI)的PTH04T241WAD曾憑借著睿智機械性能,太久摧毀3GHz DSP裝置24v電源細則的首推認知度。殊不知,在日本產化替換事業的助推下,Leadway退出的LWH04T241WAD以更為重要高性價比與技術工藝多元化勝出,是PTH04T241WAD的非常理想發展改用品。LWH04T241WAD不但變更注冊了非丟開式DC-DC交流電源輸出模塊的設計的概念優劣勢,更在水溫能與EMI功能上達到重要增強,專為FPGA、ASIC及整理器等基本方法產品作為高效性固定的供電系統大力支持,已經成為了工業師們競相采用了的最熱方案設計。
主要參數比對
主要參數 | LWH04T241WAD | PTH04T241WAD |
研制商 | Leadway | Texas Instruments |
錄入工作電壓超范圍 | 4.5V-14V | 4.5V-14V |
輸出直流電壓空間 | 0.7V-3.6V | 0.7V-3.6V |
打出電壓 | 15A間斷性 | 15A累計 |
使用率 | 敢達96% | 獨角獸高達96% |
運行室內溫度 | -40°C~+85°C | -40°C~+85°C |
裝封 | 15mm×11.5mm×6.7mm | 15mm×11.5mm×6.7mm |

能資源優勢
LWH04T241WAD與PTH04T241WAD在基礎上運作上極高兼容,這類導入輸出功率的范圍(2.2V-5.5V)、的輸出線電壓的范圍(0.69V-3.6V)和輸出電壓電壓電流(10A)均保持良好相一致。那么,LWH04T241WAD在接下來個方面體顯出有效特色:
更寬的做工作平均溫度的范圍:支技-40℃至173℃,遠超PTH04T241WAD的-40℃至85℃,十分適用于常溫工業品的環境。
國產圖片生產商鏈優勢可言:料工費減小20%-30%,交貨期期限更準定,可行躲避國際性生產商鏈可能性。
高與簡便化設定:速率將高達94%,融合度加強縮短周邊元件使用量,PCB功能分區房間占用率提高15%,更適用于寬敞型設備。
怎么會選擇LWH04T241WAD?
封裝兼容模式:通過11-DIP封裝,寬度為22.1mm×15.7mm×8.4mm,引腳級無接縫復制,不同重復設計制作電路板。
國廠化交換價值:貼合“個性化實時控制”的政策結構優化,很符合于電力移動信號塔、工業控制自動的化等關鍵所在依據油煙凈化器層面。
國際化戰略化貼心服務有效保障:Leadway展示技藝效驗、EMC提高等獨特化可以支持,注力過程中師怏速達到用作方法出臺。
蘇州市立維創展自動化有限制公司的擁用20年光電子元電子器件工藝積淀,專業的貨品生產制造和產品質量創業團隊,塑造了Leadway電源線接口設備。以技術應用科學創新為目標,做最適茶葉市場標準的設備規格尺寸。設備對標學習美系、日韓風,控制pin &pin復制如須得任何人技術應用適用,或服務管理咨訊,迎接管理咨訊。