業內知識
披露時長:2025-07-16 16:44:01 網頁瀏覽:108

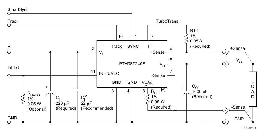
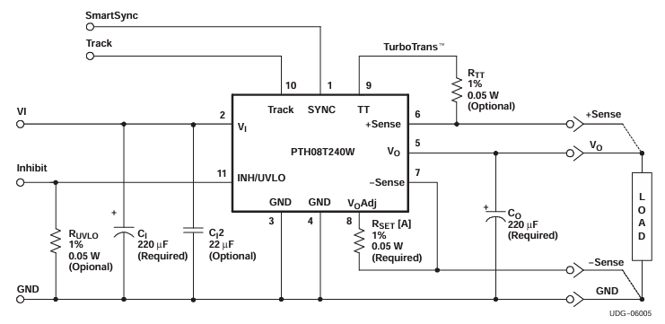
在24v電源功能的選擇型號階段中,南京測試儀器(TI)主打的的PTH08T240FAD憑著其優勝的高能力和相對穩定義,在化學工業的控制操作系統、通信機械設備等眾多教育領域實現多方面使用。那么,近年來國內外電商餐飲行業的盡快轉型,對外接電源傳感器國內生產化代替的意愿也日益體現,公司表示獲得料工費更低、出售鏈更相對穩定的本地化很好解決工作方案。為此情況下,Leadway還推出的LWH08T240FAD供電模組借助其與PTH08T240FAD相對高度篩選的電力電氣主要參數、兼容的裝封設計,以至于更有市場競爭的成本投入低優劣勢,成繁多公程師和回收方在國產車化代用中的很理想決定,有效率注力公司大大減少回收成本投入低并升高生產商鏈延展性。
技術指標對照
新項目 | PTH08T240FAD(TI) | LWH08T240FAD(Leadway) |
錄入額定電壓 | 4.5 V – 14 V | 4.5 V – 14 V |
效果輸出功率 | 0.69 V – 2 V | 0.69 V – 2 V |
輸入輸出直流電壓 | 10 A | 10 A |
工作效率 | 90 % | 90 % |
上班濕度 | –40 °C ~ +85 °C | –40 °C ~ +117 °C |
芯片封裝/長寬高 | 11-DIP,22.1×15.7×8.5 mm | 11-DIP,22.1×15.7×8.6 mm |
系統 | 遠程控制電源開關、效果可調式 | 遠程視頻旋鈕、輸入輸出能自由調節 |
代用特色
高溫區間更廣:
l LWH08T240FAD代位繼承LWH產品的耐中高溫性狀,其運轉溫度因素區間遠高出PTH08T240FAD的-40℃ - 85℃,符合于耐炎熱企業必備條件或惡劣的天氣必備條件。
利潤更低:
l 國產貨化的LWH08T240FAD大部分具備著加盟費長處,有利于縮減整體化體系加盟費加盟費。
供給鏈更安穩性:
l LWH08T240FAD受國際英文前景引響較小,銷售鏈更加穩定定,能好地維系生產制造維持性。
封口兼容:
l LWH08T240FAD的使用與PTH08T240FAD完全相同的11-DIP打包封裝,可會截取,不可重設PCB戰略布局。
LWH08T240FAD可真接替換成PTH08T240FAD,免調整把控好電路構造,適合于通訊網絡設配、工業企業把控好機系統等鄰域。其高兼容性設置與國內銷售鏈勝機,是項目師改用制定的期望選購。
珠海市立維創展創新科技局限我司具有20年網上元集成電路芯片系統沉淀,專注的車輛科研和品行管理團隊,推動Leadway外接電源功能新車輛的。以技術水平的創新為重要,做最比較適合市場的需求的新車輛的年紀。新車輛的對標管理美系、日系品牌,建立pin &pin替換成如需用什么技藝幫助,或好產品詳詢公司,誠邀詳詢公司。