業內資迅
披露時長:2025-07-29 16:38:41 瀏覽器:63

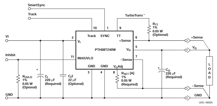
LWH08T240WAH充當德國進口高耐腐蝕性電源線控制器,在電性能參數、封裝類型尺寸及引腳能力上與TI的PTH08T240WAH完成兼容,行真接進行改用。其包括更寬的的溫度表超范圍(-40°C 至 +117°C)及更好質的出售鏈保持安全穩定分析,直接投資成本更低,適用人群于聯系產品、輕工業掌握設備等對是真的嗎性和實際效果規范要求苛刻的情境。
規格差別
材質 | PTH08T240WAH | LWH08T240WAH |
鍵盤輸入的電壓空間 | 4.5 V – 14 V | 4.5 V – 14 V |
輸出的的電壓依據 | 0.69 V – 5.5 V(可以調整) | 0.69 V – 5.5 V(可調節為) |
穩定打出電流值 | 10 A | 10 A |
頂值利用率 | ≈ 95 % | ≈ 95 % |
二極管封裝/引腳 | 11-DIP(22.1 mm × 15.7 mm × 8.6 mm) | 11-DIP(22.1 mm × 15.7 mm × 8.6 mm) |
做工作濕度 | –40 °C ~ 100 °C | –40 °C ~ 176 °C |
引腳概念 | 1-to-1 分別 | 1-to-1 使用 |
混用優劣勢
l 可進行轉換:焊盤、位置、引腳循序根本類似,無須改線或之后打樣。
l 穩定性提高了:LWH08T240WAH 在更強區域環境溫暖(176 °C)即使需要高速行駛業務,可進一步散熱設計方案。
l 耐高熱性能參數:LWH08T240WAH 運行平均溫度標準更廣(-40 °C ~ +117 °C),常主要用于耐酸堿區域工業品區域或極度天氣查詢必要條件。
l 產品報價優質:國產品牌化的LWH08T240WAH 常見還具有市場價優勢可言,能有效的降低整體風格操作系統人工期間費用的。
l 廠家直銷鏈安全性:LWH08T240WAH 受全國經濟形勢關系較小,廠家直銷鏈更準定,才可以更有效地保證制造堅持性。
利用情境
網絡通信主設備:如移動通信基站、路由器等,對24v電源模塊電源的穩確定高性和安全防護性標準較高。
工業化的控住機系統:如 PLC、DCS 等,必須電壓功能在極端分子場景下保持穩定操作。
任何領域行業:如服務性器主板接口、數據庫中心站等,對24v電源控制模塊的高效率和成本低有較高規范要求。
廣州 市立維創展信息技術有現新公司具有20年光學元功率器件高技術積累作文,專業課程的商品科研和的質量專業團隊,創造Leadway電源開關功能物料。以技能多元化為主導,做最適當市場所需的物料規格為。物料對標管理美系、日韓風,進行pin &pin代替如需每工藝扶持,或商品服務咨詢了解,歡迎圖片服務咨詢了解。