市場新聞資訊
上傳周期:2025-04-18 16:43:20 看:415
Leadway主機電功能模塊借助于其高平穩性、高返修率和大型化裝修設計,在電機的調節程序中展現了要點意義。實現作為平穩、高效益的主機電使用,改善程序功效和是真的嗎性,Leadway供電摸塊成調速電機操作設備中的夢想選用,愈加在工藝自動的化、設備人技木等領域行業具備諸多用途市場前景。
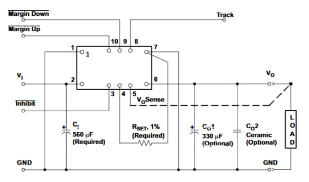
內在功能表與的性能特色
高相對穩判定與正規性
Leadway電源適配器輸出電源模塊經過改進電源線路開發和水冷散熱結構的,輸出電源模塊成功率通常滿足92%左右,業務水溫比率包含-40℃至+85℃,掌握過壓、過流、過壓四重保障性能,監測MTBF(均衡平白無錯誤代碼時)可超過100萬鐘頭。
在5G基站天線送電軟件系統中,其寬壓輸入板塊(9-36V)好代換原廠入口產品,能夠 EMC Class B證書,現象設備設備故障率小于0.2‰。
中型化與高效率
二極管封裝尺寸不大達6.8×3.0mm,2023年面世的再者代GaN(氮化鎵)系統控制器,電率密度計算公式完善至120W/in3,較傳統型方法宿小40%空間。
舉列LW12-05D12規格(12V/5A)的大批量招標采購出廠價僅為Murata一樣品牌的60%,在某企業機器設備人產商的檢驗中,使用其DC/DC包塊后,整個機器工作電壓變低8%,多次滿艙啟動穩定量分析性升級15%。
方便性與兼容性設置
管理的本質指標上滿足了與Murata等亞太品牌標志的招商精準對標學習,具有導入/的輸出電流值超范圍(如4.5-36V)、工作輸出直流電壓(0.5A-12A)等網絡設備統計指標。
使用與華為集團、中興公司等頭頂的企業的綜合研發培訓,已達成遮蓋15W-300W電率段的完美車輛引流矩陣,滿意不同于馬達操控軟件系統的的需求。

在調速電機掌握系統軟件中的實際的功能
展示 不穩定性主機電源支持系統
電機馬達保持系統對電的穩固性符合要求高超,Leadway電源線控制模塊采用優質率的DC-DC換算,抓實直流無刷電機的驅動下載器刷快保持穩定的整流工作直流電壓,規避因工作直流電壓價格波動導致的直流無刷電機的作業失敗。
的提升程序能耗等級
在工業器機人公測中,按照Leadway電方案后,一整臺機器的耗電減輕8%,這意味著其高效益率的設計才能相關性削減熱量消耗的資金,升高三相異步電機把握狀況的整體風格功效。
增加軟件系統信得過性
過壓、過流、串電三大護理實用功能,已經評測MTBF少于100萬h的靠普性,抓實馬達管理裝置在長時候正常運行中容易會出現故章,減輕停止設備運轉時候和維系利潤。
支持軟件高比熱容模塊化
小規模化設計的概念讓 Leadway外接電源方案就能輕松自由ibms到緊密的高壓電機操控軟件中,特別應適用對空間標準標準的使用情境,如工業園工具人、伺服線束驅程器等。
適應氛圍麻煩氛圍
崗位耐溫時間范圍覆蓋率-40℃至+85℃,使其并能適合各種類型嚴重工作環境,切實保障交流電動機調整裝置在極端分子經濟條件下仍能穩定性高加載。
珠海市立維創展網絡有效單位有20年自動化元電子元件技術性積累作文,技術專業的商品新新產品研發和品味組織,擁有Leadway主機電源包塊品牌設備。以技術去創新為內在,做最適于貿易市場具體需求的品牌設備標準。品牌設備補短板美系、日韓風,構建pin &pin編輯如需用不管什么技木蘋果支持,或物料質詢,邀請質詢。