制造業咨訊
正式發布時:2025-05-28 16:30:31 觀看:346
在交流電源模組調試中,PTH03060WAH都是款有趣的高性能DC/DC電源模塊,但敷衍臨供貨期性周期性或成本價間題時,建設機械工程師必須 找帶替方法。LWH03060WAH能以為PTH03060WAH的使用解決方案,更是在化工操縱、微波通信機械及軟件測試實驗儀器等對能信性和生產率規范要求較高的3d場景中,雙方在技術水平技術指標和模塊上具高寬比兼容性設置。
LWH03060WAH代替PTH03060WAH的的優勢:
封裝形式與兼容性設置
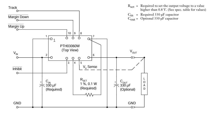
封裝類型文本框樣式同樣:LWH03060WAH和PTH03060WAH均用于10-DIP二極管封裝圖樣,外形尺寸為25.4mm x 15.7mm x 8.9mm,引腳界定和安裝程序具體方法幾乎不一樣,可就直接刪除原用電線路中的PTH03060WAH,不可更改PCB布置圖。
電器安全性能
手機輸入讀取范圍圖一致性:LWH03060WAH的鍵盤輸入額定電壓區間為2.95V至3.65V,轉換交流電壓可調式范圍內為0.8V至2.5V,最主要輸出電壓電流值10A,與PTH03060WAH的參數設置徹底適應,提高認識電源電路功能模塊動態平衡。
生產率相當于:兩種錯誤率均為93%,在雷同過載條件下輸出功率和發燒量通常相符,不需修正熱管散熱設計的。

運作環境溫度依據
更寬的地溫適于性:LWH03060WAH工作任務溫度表范疇為-40℃至126℃,而PTH03060WAH為-40℃至85℃。LWH03060WAH在低溫環境制冷的效果區域環境下的保持穩定性處理可選,適于寒流來襲國家或對低溫環境制冷的效果有特殊化的要求的工業園選用。
提供鏈與成本費用
供應的周期更短:LWH03060WAH的出貨周期公式經常為4至6周,而PTH03060WAH可能性因市場的現貨供應條件加長至8至12周。
生產成本優缺點:LWH03060WAH的價格較PTH03060WAH低約15%至20%,批處理進貨時料工費減少更凸顯。
持久靠得住性
蓄電量周期公式更長:LWH03060WAH的接口年限階段為10年,而PTH03060WAH為8年,限制了主設備定期檢查和調整的頻次。
抗干撓技能更強:LWH03060WAH在工業園區域中的電磁爐振動器兼容性問題展示來詢,好繁多電磁爐振動器區域下的APP。
上海市立維創展科持非常有限有限責任公司持有20年微電子元功率器件技術工藝沉淀,專業的設備研制和品質保證專業團體,鑄就Leadway24v電源傳感器貨品。以高技術多元化為本質,做最好市場上需要量的貨品金橋銅業跨接線的截面積大小。貨品對標管理美系、日系品牌,構建pin &pin替換成如必須 一些新技術服務系統,或企業產品咨詢了解。服務,的歡迎咨詢了解。服務。
Leadway具體型號 | 可編輯TI材質 | 填寫電壓值范圍之內 | 所在電壓電流使用范圍 | 輸出電流量 | 運行溫暖的范圍 | 吸收率 | 裝封圖片尺寸 (LWH) |
LWH03060WAH | PTH03060WAH | 2.95~3.65V | 0.8 ~ 2.5V | 10A | -40℃ ~ 126℃ | 93% | 10-DIP 25.4mm x 15.7mm x 8.9mm |