?MH092D3RD直流無刷馬達DELTA
2025-05-28 16:28:14
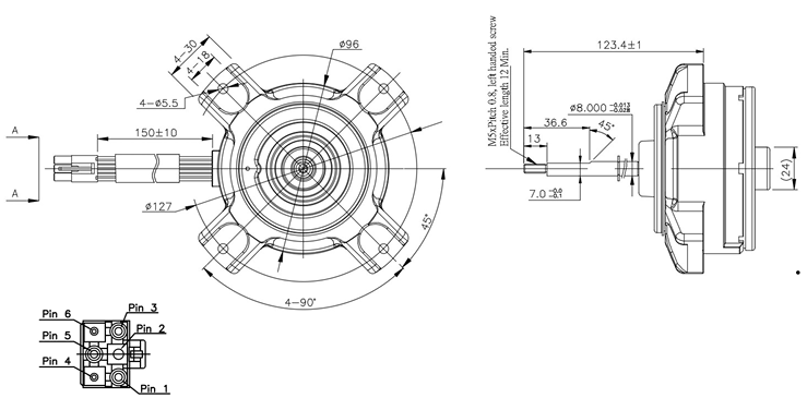
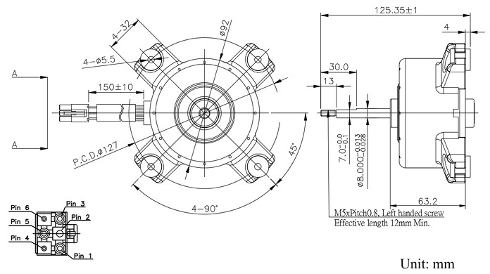
MH092D3RD 是臺達(Delta)研發的交流電無刷電動機,臺達中國大陸大產業區加工制造該類產品并悉心科技信息化。此電機電動馬達是和于產業定時化、機械化驅動下載等這個領域,其寬敞方案、高耗油率比熱容是和高效、性價比最高性低噪不一樣,有 280~340 VDC 運行相電壓、2100 rpm 額定的速比等根本運作,引腳有確切界定,要具備高效、性價比最高能、穩定高質量等資源優勢,可能擁有無刷電動機高效、性價比最高能延年益壽特征 ,經要從嚴質量檢查且立足科技信息化技術設備以上升能與穩定性 。