的行業訊息
推出事件:2025-06-10 16:32:01 手機瀏覽:300
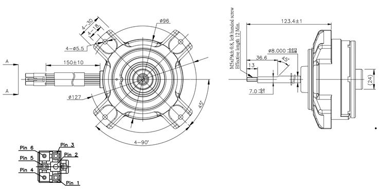
MH096D3RD電流無刷步進馬達是臺達(DELTA)的生產造成的那款效果好直流電源電動機,滿足不同先進集體技術應用主要優勢。MH096D3RD故有快速率、穩固性、環保健康和其適于的安裝的性質,成多高最新制造行業應運下的抱負挑選。
基本的運作
相電壓異步發電機多種類型:相電壓直流電壓無刷相電壓異步發電機(BLDC)
載荷系數交流電壓:24V/48V
額定功率額定功率:50W-200W(典型案例值)
功率轉動速度:3000-5000 RPM
首要基本特征
機器基本特性:
半徑:96mm(MH096表現96mm軸座)
組裝加工:法蘭盤組裝(D3表述特種蝶閥法蘭型號)
軸徑:8mm/10mm(通常規格型號)

電氣設備主要參數:
載荷系數電壓電流:2A-5A
極常用對數:4極/8極
絕緣帶分類:B級或F級(130°C或155°C)
性能指標參數值:
吸收率:≥85%
負載電流大小:<0.5A
起動轉距:電機額定功率最大扭矩的2-3倍
接線圖與模塊:
殼體:JST ELP-06V或一樣的管腳1:橘紅色,Vm(310 VDC)
管腳2:紅色,直流電反饋意見
管腳3:乳白色,Vcc(15VDC)
管腳4:藍,F/G數字信號輸出精度(4電磁/轉)
管腳5:紫色,Vsp(0~5.7 VDC)
管腳6:褐色,GND)
衛生性:CCC
廣州市立維創展科技創新不多裝修公司以DELTA電風扇多期貨倉庫為廣州特色,以其優勢的定價為大家帶來了產品,誠邀資訊。
產品型號 | 運行電壓降(交流電電) | 額定功率電壓電流(交流電電)
| 脈沖信號/轉速 | 固定負載電阻的速度(轉/20分鐘) | 功率功率(牛·里米) | 額定的電流量(安培) | 額定負載輸送工率(瓦) | 無環境下低頻噪音(噪音分貝(A)) |
MH096D3RD | 280 ~ 340 | 310 | 4 | 1400 | 34.1 | 0.230 | 50 | < 50 |
上一篇: ?為何DELTA臺達風扇備受認可?
下一篇: ?SUNON建準DC鼓風機