制造業介紹
發布了時間段:2025-05-28 16:28:14 打開網頁:330
MH092D3RD也是款由臺達(Delta)種植的直流電源無刷步進馬達,臺達強院于生產生產優質化量及具備著性質的直流電源無刷步進電機,其步進電機的物品根據坐落在全球的廠家生產,并致力于于持續時間的的物品創新技術。MH092D3RD 發電機適用性于工藝自動式化、機誡安裝驅動等行業,其緊湊型轎車的的設計和較高的輸出規格使其符合于需要有學習效率和低噪音污染的app場合。
一般參數指標
工作任務電阻值:280~340 VDC
額定容量電壓電流:310 VDC
額定功率發動機轉速:2100 rpm
載荷系數發動機功率:36.4 N·cm
額定值交流電:0.370 A
額定負載工作電壓:80 W
負載的噪音:<50 dB(A)
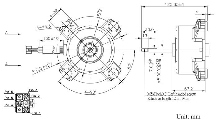
插頭接線處與標準接口
引腳的定義:
Pin 1:鮮紅色,Vm(310 VDC)
Pin 2:空
Pin 3:白色的,Vcc(15 VDC)
Pin 4:黑色,F/G 電磁波輸出電壓(每轉4脈沖信號)
Pin 5:黃色的,Vsp(0~5.7 VDC)
Pin 6:一樣,GND

顯著特點勝機
高性能:電流無刷電動無刷電機比較于民俗有刷電動無刷電機,有更大的速度和更長的的使用人類壽命,MH092D3RD已經代位繼承了許多優勢,給予市場大的的利用率體現。
安全質理:臺達啟動馬達軟件以是真的嗎的高質量聞名世界,MH092D3RD或許經歷須嚴格的產品品質控制和各方面測試,確保在各方面廣泛應用場境下都能穩定性高運作。
多元化技術工藝:臺達專心致志于品牌信息化,MH092D3RD可能會融于了近期最新的新技術成功,如比較好的的管理法求、提高的結構的裝修設計等,以加快電機的性和耐用性。
南京市立維創展科枝是有限的我司以DELTA葉輪很大現貨交易交易量為廣州特色,以優勢的價額為雇主提拱提供服務,歡迎詞管理咨詢。
Model No. | Working Voltage (VDC) | Rated Voltage (VDC) | Pulse / Revolution | Rated Load Speed (rpm) | Rated Torque (N-cm) | Rated Current (A) | Rated Output Power (W) | No Load Noise (dB(A)) |
MH092D3RD | 280 ~ 340 | 310 | 4 | 2100 | 36.4 | 0.370 | 80 | < 50 |
上一篇: ?為何DELTA臺達風扇備受認可?
下一篇: ?SUNON建準直流風扇