HMC608LC4/HMC608LC4TR/HMC608LC4TR-R5中低檔公率縮放器 ADI外盤
上架用時:2018-06-26 16:19:23 閱讀:2462
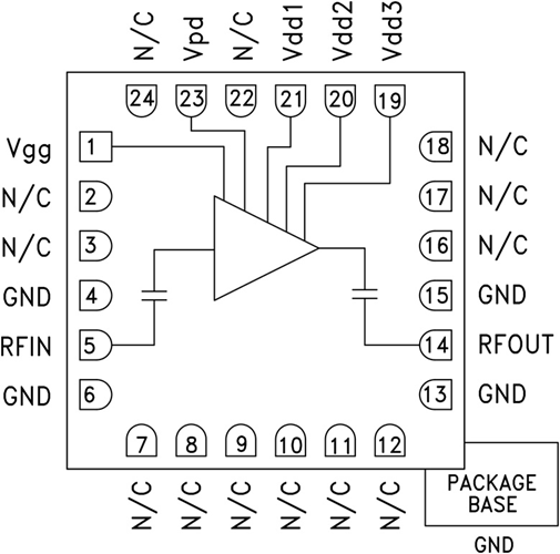
HMC608LC4是一個款高動態的的范圍內GaAs pHEMT MMIC中低耗油率放縮器,施用無引腳“無鉛”SMT裝封。該放縮器打造兩大類崗位方式:高增加收益方式(Vpd引腳短接至地);和低增加收益方式(Vpd引腳要保持引路)。下表界面顯示了在高增加收益方式下崗位的放縮器的電氣成套產品規格。該放縮器體現了9.5至11.5 GHz的崗位的范圍內,打造29.5 dB增加收益、+27.5 dBm飽合耗油率和23% PAE(+5V交流電源電阻)。環境噪聲彈性系數為6 dB,而工作輸出IP3為+33 dBm。隔直RF I/O適配至50 Ω,施用以便于。HMC608LC4不用再線焊,是可以施用表貼研制高技術。
|
品牌
|
型號
|
描述
|
貨期
|
庫存
|
|
ADI
|
HMC608LC4,HMC608LC4TR,HMC608LC4TR-R5
|
中等功率放大器,采用SMT封裝,9.5 - 11.5 GHz
|
現貨
|
237
|
HMC608LC4應用
HMC608LC4優勢和特點
-
輸出IP3:+33 dBm
-
飽和功率:+27.5 dBm (23% PAE)
-
增益:29.5 dB
-
電源:+5V(310 mA時)
-
50 Ω匹配輸入/輸出
-
符合RoHS標準的4x4 mm SMT封裝
HMC608LC4結構圖
