HMC-ABH241/HMC-ABH241-SX四個維度GaAs HEMT MMIC中低馬力放小器 ADI期貨
上傳事件:2018-06-26 16:30:49 瀏覽訪問:2435
THMC-ABH241都是款英語四級GaAs HEMT MMIC一般事情效率變成器,事情聲音頻率依據為50至66 GHz。 HMC-ABH241展示 24 dB收獲,用到+5V電源開關直流電壓時有+17 dBm打出事情效率(1dB縮小)。 各種焊盤和集成塊側面都經由Ti/Au金屬質化,變成器已完全性鈍化以體現可靠性使用。
HMC-ABH241 GaAs HEMT MMIC一般電機功率放小器兼容傳統化的基帶電子器件貼裝方試,并且 熱文件壓縮和熱彩超線焊接工藝藝,相當好MCM和混合物微線路應用。 這兒體現 的很多資料均是基帶電子器件在50 Ω生活環境下食用RF紅外探頭接觸到精確測量。
|
品牌
|
型號
|
描述
|
貨期
|
庫存
|
|
ADI
|
HMC-ABH241
HMC-ABH241-SX
|
中等功率放大器芯片,50 - 66 GHz
|
現貨
|
249
|
THMC-ABH241應用
THMC-ABH241優勢和特點
-
輸出IP3: +25 dBm
-
P1dB: +17 dBm
-
增益: 24 dB
-
電源電壓: +5V
-
50 Ω匹配輸入/輸出
-
裸片尺寸: 3.2 x 1.42 x 0.1 mm
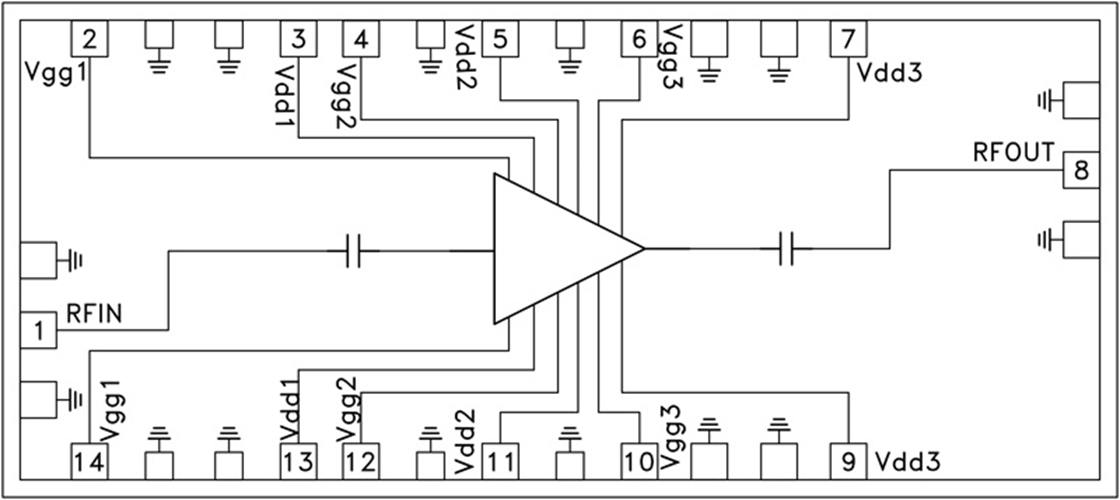
THMC-ABH241結構圖
