HMC-APH196/HMC-APH196-SX兩極中低耗油率變大器 ADI外盤
上傳用時:2018-06-26 16:40:28 預覽:2207
HMC-APH196是一個款有級GaAs HEMT MMIC中等水平工作中效率放小器,工作中幾率區域為17至30 GHz。 HMC-APH196在20 GHz下具備20 dB收獲,采取+4.5V電源開關線電壓時具有著+22 dBm所在工作中效率(1 dB減少)。 所以焊盤和電源芯片正面都進行Ti/Au輕金屬化,放小器已已經鈍化以實行耐用方法。
HMC-APH196 GaAs HEMT MMIC適中熱效率變大器兼容傳統式的集成電路設計處理芯片貼裝辦法,甚至熱壓縮成和熱超音波線電工藝,相當適當MCM和分層微電路設計軟件。 彼處凸顯的其他數據信息均是集成電路設計處理芯片在50 Ω工作環境下應用RF探測器接觸到精確測量。
|
品牌
|
型號
|
描述
|
貨期
|
庫存
|
|
ADI
|
HMC-APH196
HMC-APH196-SX
|
中等功率放大器芯片,17 - 30 GHz
|
現貨
|
249
|
HMC-APH196應用
HMC-APH196優勢和特點
-
輸出IP3: +31 dBm
-
P1dB: +22 dBm
-
增益: 20 dB (20 GHz)
-
電源電壓: +4.5V
-
50 Ω匹配輸入/輸出
-
裸片尺寸: 3.3 x 1.95 x 0.1 mm
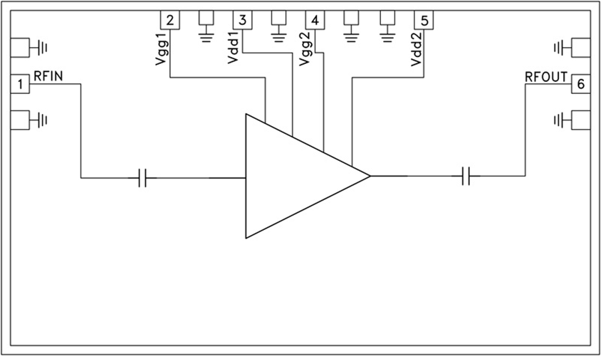
HMC-APH196結構圖
