HMC-AUH320/HMC-AUH320-SX3級中上耗油率拖動器 ADI現貨平臺
發布消息日子:2018-06-27 11:44:10 預覽:2725
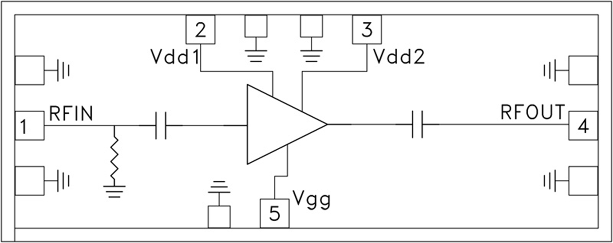
HMC-AUH320就是一款高動圖范疇的4個等級GaAs HEMT MMIC中檔打出瓦數擴大器,在71至86 GHz的頻繁 下業務。 HMC-AUH320在74 GHz頻繁 下出示16 dB的增加收益,在1 dB減少點出示+15 dBm的打出打出瓦數,選擇+4V交流電源電阻。 任何焊盤和電源芯片反面都歷經Ti/Au彩石化,擴大器電子元器件已壓根鈍化以達到牢靠進行。
HMC-AUH320 GaAs HEMT MMIC中等偏上瓦數調大器可兼容基本的心片貼裝措施,或者熱壓縮視頻和熱mri線焊,至關最合適MCM和混合法微電線操作。 這兒提示的那些的數據均是心片在50 Ohm大環境下運用RF溫度探頭觸碰測量。
|
品牌
|
型號
|
描述
|
貨期
|
庫存
|
|
ADI
|
HMC-AUH320
HMC-AUH320-SX
|
中等功率放大器芯片,71 - 86 GHz
|
現貨
|
233
|
HMC-AUH320應用
-
短程/高容量鏈路
-
無線LAN網橋
-
汽車雷達
-
軍事和太空
-
E波段通信系統
HMC-AUH320優勢和特點
-
增益: 16 dB (76 GHz)
-
P1dB: +15 dBm
-
電源電壓: +4V
-
50 Ω匹配輸入/輸出
-
裸片尺寸:
2.20 x 0.87 x 0.1 mm
HMC-AUH320結構圖
