HMC635LC4/HMC635LC4TR驅程放縮器裸片 ADI現貨交易
更新周期:2018-06-27 16:57:25 網頁瀏覽:1925
HMC635LC4是款GaAs PHEMT MMIC安裝控制擴大器裸片,工做頻繁領域為18至40 GHz。 該擴大器供給18.5 dB的收獲、+27 dBm所在IP3及+22 dBm的所在瓦數(1 dB收獲解壓縮時),顯卡功耗為280 mA(+5V電原)。 HMC635LC4特別滿足有所作為微波加熱wifi手機電適用的安裝控制擴大器,或用于工做頻繁領域為18至40 GHz的混頻器LO擴大器,可供給高達獨角獸+23.5 dBm的飽合所在瓦數(15% PAE)。 隔直擴大器I/O企業內部篩選50 Ω,特別滿足ibms到多電子器件包塊(MCM)中。
[1]增益控制、瓦數和嗓聲指數公式量測然而就已減除板消耗的資金。
|
品牌
|
型號
|
描述
|
貨期
|
庫存
|
|
ADI
|
HMC635LC4
HMC635LC4TR
|
GaAs PHEMT MMIC驅動放大器,18 - 40 GHz
|
現貨
|
237
|
HMC635LC4應用
-
點對點無線電
-
點對多點無線電和VSAT
-
軍事和太空
HMC635LC4優勢和特點
-
增益: 18.5 dB [1]
-
P1dB: +22 dBm [1]
-
輸出IP3: +27 dBm
-
飽和功率:
+23.5 dBm (15% PAE [1])
-
電源電壓: +5V @
280 mA
-
50 Ω匹配輸入/輸出
-
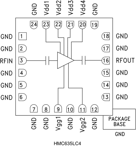
24引腳4x4mm
SMT陶瓷封裝: 16mm2
HMC635LC4結構圖
