HMC-APH403/HMC-APH403-SX三階段MMIC中低檔馬力變成器 ADI現貨交易
公布的時間間隔:2018-06-27 17:15:29 查看:7031
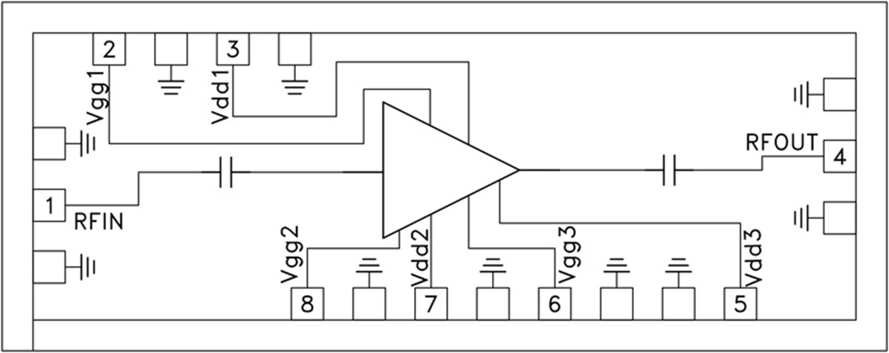
HMC-APH403就是一款二級GaAs HEMT MMIC中高工作的電壓值調大器,工作的幀率使用范圍為37至45 GHz。 HMC-APH403帶來了21 dB增加收益,用于+5V電源線電壓值時包括+23 dBm工作輸出工作的電壓值(1 dB壓縮成)。 所有焊盤和處理芯片表面都由Ti/Au鋁合金化,調大器已基本鈍化以做到靠普方法。
HMC-APH403 GaAs HEMT MMIC適中馬力變小器兼容傳統的的處理器貼裝方法,已經熱壓縮成和熱超音波線焊接工藝藝,異常更適合MCM和混合型微集成運放運用。 前方出現的擁有數據表格均是處理器在50 Ω生活環境下的使用RF感應器碰觸得出。
|
品牌
|
型號
|
描述
|
貨期
|
庫存
|
|
ADI
|
HMC-APH403
HMC-APH403-SX
|
中等功率放大器芯片,37 - 45 GHz
|
現貨
|
226
|
應運
HMC-APH403優勢和特點
-
輸出IP3: +32 dBm
-
P1dB: +23 dBm
-
增益: 21 dB
-
電源電壓: +5V
-
50 Ω匹配輸入/輸出
-
裸片尺寸: 2.76 x 1.03 x 0.1 mm
HMC-APH403結構圖
