HMC442LM1/HMC442LM1TR工作效率調大器 ADI現貨交易
發布公告的時間:2018-06-27 16:42:54 挑選:1958
HMC442LM1有的是款帶寬17.5至24 GHz GaAs PHEMT MMIC中上電率放小器,主要主要包括SMT無引腳集成電路處理芯片媒介二極管封裝形式。 LM1主要主要包括原本的表貼帶寬毫米(mm)波二極管封裝形式,提高低耗損和精湛的I/O適配,并堅持MMIC集成電路處理芯片使用性能。 該放小器提高14 dB收獲,達到飽和狀態電率為+23 dBm(27% PAE時),24v電源電流為+5V。
50 Ω識別拖動器在RF打出和打出端上集成系統隔直,無比適當重復使用非線性增益值輸出模塊、放出鏈推動器或HMC SMT混頻器LO推動器。 作為一個集成ic和導電連接混合法配件的代替元器件,HMC442LM1就不需要線焊,然而為客服展示 一直的端口。
|
品牌
|
型號
|
描述
|
貨期
|
庫存
|
|
ADI
|
HMC442LM1
HMC442LM1TR
|
中等功率放大器,采用SMT封裝,17.5 - 24.0 GHz
|
現貨
|
212
|
HMC442LM1應用
HMC442LM1優勢和特點
-
飽和功率: +23 dBm (27% PAE)
-
增益: 14 dB
-
電源電壓: +5V
-
50 Ω匹配輸入/輸出
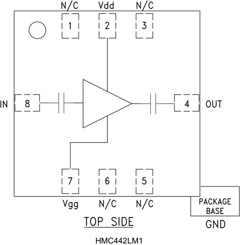
HMC442LM1結構圖
