HMC461LP3E雙檢修通道MMIC變小器 1w高IP3變小器 ADI現貨平臺
上架日子:2018-06-26 11:49:49 搜素:1953
HMC461LP3(E)是一種款1.7 - 2.2 GHz高的輸出IP3 GaAs InGaP異質結雙正負尖晶石管(HBT)雙清算通道MMIC調大器。 它在單一一體化控制電路設計中,供應的兩個HMC455LP3高IP3帶動器的線形性,可在平衡點點或推挽調大器控制電路設計中顯卡標準配置。 該調大器供應12 dB的收獲和+30.5 dBm的飽滿熱效率(當PAE為48%時),進行+5 Vdc單電原,另外運用平衡點點顯卡標準配置的外邊巴倫。
基于有著+45 dBm的高輸入IP3,再結合起來1.2:1的低VSWR,因HMC461LP3(E)形成適宜PCS/3G無線路由依據配套設施的非常完美安裝驅動拖動器。 雙MMIC拖動器集成型電路原理用于降低成本低的無引腳3x3 mm QFN表面能貼裝裝封(LP3)。 LP3具備裸露出基極以滿足出眾的的RF和熱管散熱性能參數。
|
品牌
|
型號
|
描述
|
貨期
|
庫存
|
|
ADI
|
HMC461LP3
|
1瓦特高IP3放大器,采用SMT封裝,1.7 - 2.2 GHz
|
現貨
|
278
|
HMC461LP3應用
-
多載波系統
-
GSM、GPRS和EDGE
-
CDMA和W-CDMA
-
PHS
-
可配置平衡或推挽
HMC461LP3優勢和特點
-
+45 dBm輸出IP3(平衡配置)
-
增益:12 dB
-
PAE為48%(Pout為+30.5 dBm時)
-
+20 dBm的W-CDMA通道功率(ACP為-45 dBc時)
-
3x3 mm QFN SMT封裝
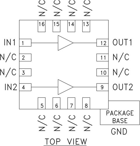
HMC461LP3結構圖
