HMC-APH633/HMC-APH633-SX/HMC-APH633-WP中檔電功率增加器 ADI現貨平臺
頒布時期:2018-06-26 15:26:00 挑選:6993
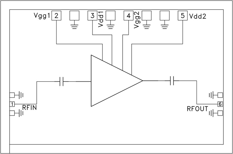
HMC-APH633都是款二級GaAs HEMT MMIC高的英語的輸出熱效率放縮器,崗位頻率面積為71至76 GHz。 HMC-APH633展示 13 dB增加收益,用+4V電流電流時存在+20 dBm的輸出的輸出熱效率(1 dB解壓縮)。 其他焊盤和集成電路芯片正面都所經Ti/Au金屬件化,放縮器已截然鈍化以實現了可信度操作的。
HMC-APH633 GaAs HEMT MMIC中等水平輸出功率變成器兼容傳統式的集成ic貼裝形式,包括熱文件壓縮和熱mri線焊接藝,相對適宜MCM和搭配微電路板應運。 這兒信息顯示的全部數據分析均是集成ic在50 Ω周圍環境下運用RF感應器觸及精確測量。
|
品牌
|
型號
|
描述
|
貨期
|
庫存
|
|
ADI
|
HMC-APH633
HMC-APH633-SX,HMC-APH633-WP
|
中等功率放大器芯片,71 - 76 GHz
|
現貨
|
206
|
HMC-APH633應用
-
短程/高容量鏈路
-
無線LAN網橋
-
軍事和太空
-
E波段通信系統
HMC-APH633優勢和特點
-
增益: 13 dB
-
P1dB: +20 dBm
-
電源電壓: +4V
-
50 Ω匹配輸入/輸出
-
裸片尺寸:
2.47 x 1.60 x 0.05 mm
HMC-APH633結構圖
