HMC-APH634兩極GaAs HEMT MMIC中檔效率變大器 ADI期貨
發布了周期:2018-06-26 15:32:54 瀏覽記錄:7012
HMC-APH634也是款二級GaAs HEMT MMIC中檔效率增加器,工做速率位置為81至86 GHz。 HMC-APH634出示12 dB增益值,用+4V交流電源時具+20 dBm輸出效率(1 dB縮減)。 全部焊盤和處理器背影都根據Ti/Au金屬質化。 HMC-APH634 GaAs HEMT MMIC中檔效率增加器兼容傳統與現代的處理器貼裝模式,包括熱縮減和熱超聲檢查線焊接藝,比較適合MCM和混雜微控制電路技術應用。 這里表現的全部統計數據均是處理器在50 Ω區域環境下操作RF感應器排斥測定。
|
品牌
|
型號
|
描述
|
貨期
|
庫存
|
|
ADI
|
HMC-APH634
|
中等功率放大器芯片,81 - 86 GHz
|
現貨
|
198
|
采用
HMC-APH634優勢和特點
-
高增益: 12 dB
-
高P1dB: +19 dBm
-
電源電壓: +4V
-
50 Ω匹配輸入/輸出
-
裸片尺寸:
2.57 x 1.70 x 0.05 mm
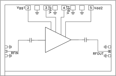
HMC-APH634結構圖
