HMC-AUH249/HMC-AUH249-SX區域劃分式驅動包圖像放大儀裸片 ADI現貨平臺
發部準確時間:2018-06-26 15:41:03 看:2330
HMC-AUH249是款GaAs MMIC HEMT區域劃分式安裝驅動拖動器裸片,在DC至43 GHz的頻次下事業,明顯3 dB上行寬帶為35 GHz。 該拖動器給予15 dB收獲,飽合輸入輸出輸出最大功率為+23 dBm,也選擇+5V電阻值交流電源功能消耗僅200 mA。
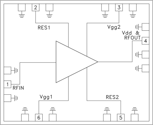
HMC-AUH249具有著特好的增加收益,相位紋波過大25 GHz,也能效果超過8V的峰閥值,而使比較適當寬帶網無線網、網絡光通信網絡和測式裝置應該用。 該圖像放大電路裸片占地面積計算不夠4 mm2,有助于容易集成型到多單片機芯片接口(MCM)中。 來說整流電線,HMC-AUH249必須要 偏置器和片外隔直開關元件及旁路電解電容。 Vgg1能設定元器件封裝的偏置功率,Vgg2則設定效果增加收益。
|
品牌
|
型號
|
描述
|
貨期
|
庫存
|
|
ADI
|
HMC-AUH249
HMC-AUH249-SX
|
調制器驅動放大器芯片,DC - 35 GHz
|
現貨
|
156
|
HMC-AUH249應用
-
光纖調制器驅動器
-
適用于測試和測量設備的增益模塊
-
點對點和點對多點無線電
-
寬帶通信和監控系統
-
雷達警報系統
HMC-AUH249優勢和特點
-
小信號增益: 15 dB
-
輸出電壓: 最高8V pk-pk
-
Psat輸出功率: +23 dBm
-
高速性能: 大于35 GHz的3 dB帶寬
-
電源電壓:
+5V (200 mA)
-
S小尺寸裸片:
2.2 x 1.80 x 0.1 mm
HMC-AUH249結構圖
