HMC465LP5/HMC465LP5E/HMC465LP5ETR數據分布式數據庫驅使擴大器 ADI現貨平臺
頒布時光:2018-06-26 14:34:00 閱讀:6841
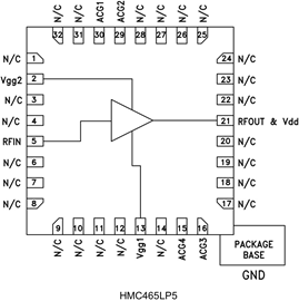
HMC465LP5(E)有的是款GaAs MMIC PHEMT數據分布式數據庫驅動下載安裝拖動器,利用5x5 mm無引腳表貼裝封,在DC到20 GHz的幀率區域內工作任務。 該拖動器供給15 dB增益值控制、3 dB噪聲源因子,過飽和轉換電功率為+25 dBm,利用+8V電源模塊時工作電壓僅為160 mA。 它兼具0.5 dB的精湛增益值控制平整度,在DC至10 GHz的幀率區域內與線型相位的差值為± 4 度,這一些性能特點使用HMC465LP5(E)是非常可以OC192光纖傳輸LN/MZ幅度調制器驅動下載安裝拖動器并且 考試設配使用。 HMC465LP5(E)拖動器I/O組織結構適應50 Ω。
|
品牌
|
型號
|
描述
|
貨期
|
庫存
|
|
ADI
|
HMC465LP5,HMC465LP5E
HMC465LP5ETR,HMC465LP5TR
|
寬帶驅動放大器,采用SMT封裝,DC - 20 GHz
|
現貨
|
203
|
HMC465LP5應用
-
OC192 LN/MZ調制器驅動器
-
微波無線電和VSAT
-
測試儀器儀表
-
軍用EW、ECM和C3I
HMC465LP5優勢和特點
-
增益: 15 dB
-
輸出電壓至10 Vp-p
-
飽和輸出功率: +24 dBm
-
電源電壓: +8V (160 mA)
-
50 Ω匹配輸入/輸出
-
32引腳5x5mm SMT封裝: 25mm2
HMC465LP5結構圖
