HMC408LP3E/HMC408LP3ETR的效率高率輸出功率擴大器5.1 - 5.9 GHz ADI現貨黃金
推出時間段:2018-06-26 13:39:38 網頁瀏覽:7338
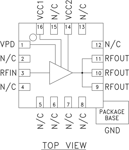
HMC408LP3(E)都是款5.1 - 5.9 GHz優質率GaAs InGaP異質結雙化學性質納米線管(HBT)瓦數拖動器MMIC,可以出具+30 dBm P1dB。 該拖動器可以出具20 dB增益管控,飽和狀態瓦數為+32.5 dBm,電原交流電壓為+5V (27% PAE)。 輸入的內部配對至50 Ohms,所在需極低的外界元器件。 Vpd可以用在于全效果模試模試或RF所在瓦數/電壓電流管控。 該拖動器按照低料工費、3x3 mm無鉛外表面貼裝芯片封裝,具有露外支撐柱以調理RF和熱管散熱效果。
|
品牌
|
型號
|
描述
|
貨期
|
庫存
|
|
ADI
|
HMC408LP3E
HMC408LP3ETR
|
1 W功率放大器SMT,5.1 - 5.9 GHz
|
現貨
|
275
|
HMC408LP3應用
-
802.11a & HiperLAN WLAN
-
UNII和點對點/多點無線電
HMC408LP3優勢和特點
-
增益: 20 dB
-
飽和功率: +32.5 dBm (27% PAE)
-
單電源電壓: +5V
-
省電功能
-
3x3 mm無鉛SMT封裝
HMC408LP3結構圖
