RFLI090M21M29超寬帶同軸隔離器RF-LAMBDA
2024-06-21 08:46:13
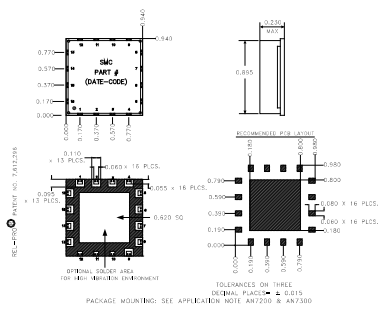
RFLI090M21M29是RF-LAMBDA的是一款超長帶同軸防護防護器,本職上班平率為214MHz至286MHz,更具0.6dB比較大讀取不足、19dB世界上最大防護防護度、1.3:1 VSWR和50W連著波朝電率。它可以支持N型或SMA型接連器,抗阻為50Ω,本職上班溫度表范圍內為-40°C至+85°C。該防護防護器可使用于無線wifi基本的設施、軍隊、民用航空航空、測試英文檢測設備、汽車雷達系統化、5G數據通信等領域,更具更好的抗振和的沖擊性能參數,可在達到30,000英寸的海拔寬度寬度下本職上班。