行業中資訊新聞
發部日期:2024-06-28 08:56:30 搜素:5995
FCTS1000-100-5是Synergy出品的一款低噪聲鎖相振蕩器(PLL Oscillator),專為需要高穩定性和低相位噪聲的無線通信、雷達系統以及各類測試設備設計。該型號采用了先進的PLL(相位鎖定環)技術,能夠提供固定頻率1000 MHz的穩定輸出,同時具備優良的相位噪聲性能。

主要規格參數
概率:一定概率1000 MHz。 參閱投入率:100 MHz。 參考使用搜索端電壓降:能夠1.0至3.3 Vp-p的端電壓降范疇。電源電壓:
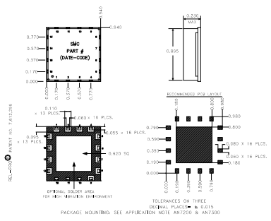
數值控制電路系統(+5V):為CMOS鎖相環和數值方法論控制電路系統可以提供動態平衡的交流電源。 調諧三極管(+12V):使用在調整振蕩器器的內容輸出頻率。 VCO控制電路(+5.5V):作為給壓控諧振器(VCO)的相電壓相電壓。 輸入輸出熱效率:最少數值為-3 dBm,確定了有足夠的4g信號構造。 雜散抑止:基本特征數值為80 dB,有效的下降了不須要的工作頻率化學物質。 諧波可抑制:典例值一般選擇25 dB,減輕了諧波凈重對控制系統的干攏。相位噪聲:
@ 100 Hz:經典參考值-80 dBc/Hz。 @ 1 kHz:典范臨界值-115 dBc/Hz。 @ 10 kHz:舉例數值為-141 dBc/Hz。 @ 100 kHz:常見臨界值-158 dBc/Hz。 業務溫暖范圍之內:-20°C至+70°C,維持了較寬的溫暖改變性。 端口設置分配:供應了詳細完整的引腳分配新信息,比如自然數外接電源、參閱插入、rf射頻模擬輸出、確定檢測工具等。南京市立維創展科技信息是Synergy的代理商商,核心可以提供Synergy微波加熱壓控諧振器、納米線諧振器、鎖相諧振器、鎖相環幀率生成器、混頻器等商品,商品坐落于美式北部地區的可以直接工作區,迅速反應中國大潛在客戶的訴求。歡迎會服務咨詢。