互聯網行業介紹
發布公告時刻:2024-06-28 08:59:54 手機瀏覽:6082

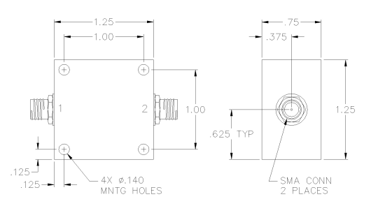
PULSAR倍頻器FX-04-410是一款高性能的電子設備,專為需要精確頻率轉換的應用而設計。以下是該產品的詳細介紹:
設備名字大全: Pulsar倍頻器FX-04-410頻率范圍:
進入頻段: 75-1500 MHz 轉換幾率: 150-3000 MHz 放入效率標稱值: +10.0 dBm轉換損耗:
在F2頻繁 下: 12.0 dB較大 在F4的頻率下: 20.0 dB主要雜散信號抑制:
F1: 20 dBc F3: 20 dBc 封裝結構類型: SMA連接器類型:
要求硬件配置: SMA female 供選擇配備: BNC, TNC, F, 和 N connectors 打出/打出網絡端口: 搜索串口: 1 輸送端口處: 2 保護接地保護形式: 底殼保護接地保護 形態長寬比: 1.25" x 1.25" x 0.75"
雜散信號抑制性能表明,該設備能夠有效抑制不需要的頻率成分,確保輸出信號的純凈度。SMA連接器是標準配置,但也提供其他類型的連接器選項,以適應不同的應用需求。東莞 市立維創展科持軟件授權賣出商賣出PULSAR微波射頻物料,并帶來了售后維修提供服務大力支持提供服務,歡迎辭咨訊。