行業中訊息
更新用時:2024-06-26 08:54:21 預覽:803
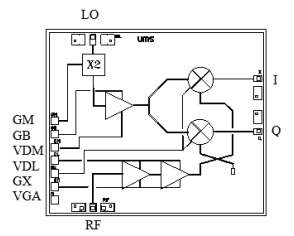
CHR2295-99F是UMS紅外光一款高性能的GaAs單片微波集成電路(IC),專為商業通信系統中的下變頻應用而設計。該芯片集成了多種功能,包括LO(本地振蕩器)時間雙倍頻器、平衡冷FET混頻器和RF低噪聲放大器(LNA),使其能夠有效地將LO信號轉換為RF信號。

該芯片的主要特點包括:
- 寬帶網絡使用性能:RF上行寬帶為24-30 GHz,LO上行寬帶為12-15 GHz。 - 轉移增加收益:微波射頻增加收益(Conversion Gain)在11至15 dB區間內。 - 環境噪聲彈性系數:3.5 dB,用以于脈沖電流段>0.1 GHz。 - LO輸入工率:至少數數值-10 dBm,較大數數值10 dBm。 - RF鍵入工作電壓:在1 dB增加收益壓解點時為-10 dBm。 - 低直流電壓熱效率消費:120 mA @ 3.5 V。 - 電源芯片寬度:2.49 x 1.97 x 0.10 mm。 CHR2295-99F用于pHEMT施工工藝生產制造,更具0.25毫米的柵長,并使用柔性板孔、熱空氣橋和智能電子束柵星空刻技術水平控制高誤差和可信性。處理芯片的后面制作為微波射頻和直流電源接地保護,簡略了自動裝配步驟,提升 了控制系統的可信性和的性能。西安市立維創展高新科技比較有限廠家授權經銷UMS微波,針對部分型號的UMS產品提供優質的現貨產品庫存,歡迎咨詢。