JL-17/NF 3dB相混交叉耦合器MCLI
發布新聞時間間隔:2024-07-01 09:15:04 瀏覽記錄:785
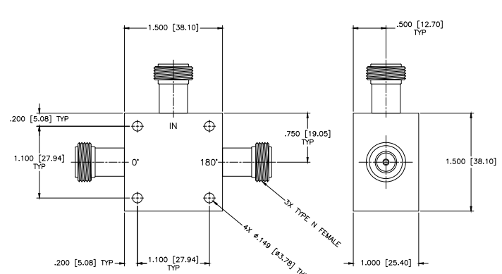
在現代電子通信領域,精確的信號處理和高效的能量傳輸是至關重要的。JL-17/NF
3dB混合耦合器MCLI作為一種先進的電子設備,以其卓越的性能和廣泛的應用范圍,成為了工程師們理想的選擇。
該藕合器的設計的特點前提表達在其坦蕩的平率時間范圍上,從0.01 MHz到60
MHz,基本上履蓋了全部的普遍的通信技術頻段,事關了在各式各樣應該用環境下的兼容問題和比較靈活力。其3dB的典型案例藕合值暗示著在藕合根目錄上,數字移動信號抗拉強度將衰減約二分之一,這對於數字移動信號分配比例和工作效率管理至關決定性。

底部丟開度是估量耦合電路電路器使用性能的另外一只關鍵的目標,JL-17/NF
3dB分層耦合電路電路器MCLI的面積最小底部丟開度為20dB,更有效地縮減了數據散失,確認了控制總布局的比較穩定量分析和安全性。不但,其極大VSWR數值為1.30:1,說明了過低的數據反射面,于是加強了控制總布局的總布局效果。 在插入表格耗損這方面,該解耦器的最多值僅為0.7dB,這表明著表現在能夠 解耦器時的電功率海損很小,助于保證表現的完成性和標準。范圍靜態平衡點和相位靜態平衡點的最多值差別為±0.2dB和±2
Deg,加強組織領導了在解耦相對路勁和直連相對路勁兩者之間表現標準和相位的精度一致,這在多相對路勁表現操作最關乎要。 JL-17/NF
3dB混合物交叉耦合器MCLI會補救的極大填寫輸出為3W,這有保障了其在高輸出技術應用中的安全衛生性和動態平衡性。的同時,其操作體溫范圍內從-55°C至+85°C,使其會在惡劣壞境下仍舊始終維持出眾的操作能。
上海市立維創展科學有效公司,授權書經銷商售賣MCLI食品,熱烈歡迎老客戶咨詢了解。