?CMD236C4寬帶MMIC SP6T(單刀六擲)射頻開關Qorvo原裝現貨
2025-06-06 16:32:01
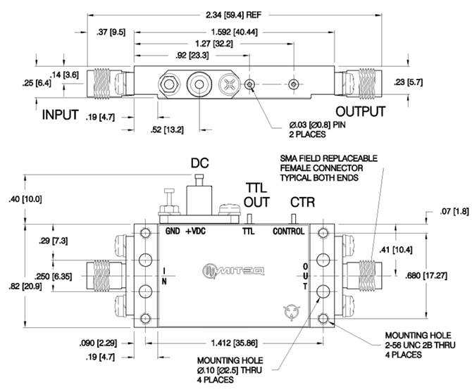
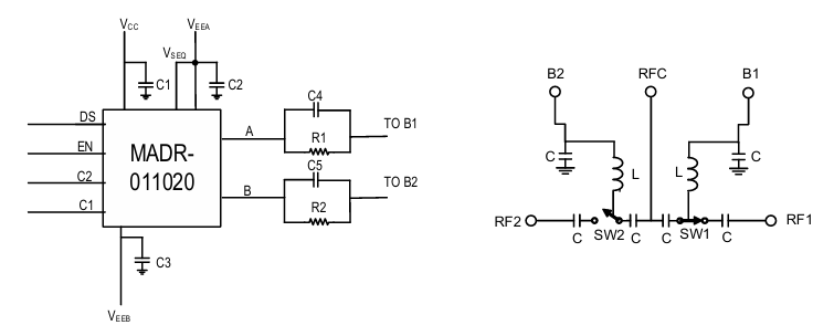
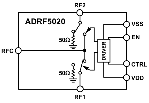
CMD236C4是Qorvo公司停售的寬帶網MMIC SP6T(單刀六擲)微波rf射頻控制開關,使用4x4毫米(mm)無引線面貼裝芯片打包封裝類型,涉及DC至18GHz頻段,在10GHz時兼備低至2.5dB的復制損耗量和自由高達42dB的隔離防曬度,掌握60ns轉換強度、16dBm的1dB減少點,使用陶瓷制品QFN芯片打包封裝類型并集合特色化板載二進制轉碼器以簡略構思,還持有極有效率送電和低直流電交流電需求量性能特點,其緊湊型芯片打包封裝類型、非反射性式構思及調整MMIC的技術特點適宜范圍限制的中頻裝置,可技術應用于警用汽車雷達和微電子戰裝置、衛星信號通訊網絡設備、各種測試預估器材及5G基站天線微波rf射頻前邊等層面。