行業內方式
發布公告周期:2025-06-06 16:34:59 訪問:359
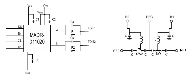
MASW-011098都是款由 MACOM 工廠生產方式的高耗油率 SPDT(單刀雙擲)PIN 場效應管按鈕開關,專為高線型度、低導入損耗量的rf射頻運用規劃,支持于Ka中波段及更高的頻用途。MASW-011098歸功于其高信得過性及寬頻段形態,專為5G無限基礎框架建筑設施設計構思,常使用于是需要高瓦數治療水平和網絡帶寬耐磨性的應用,如5G標準系統、亳米波無線通信等。
最主要的形態
工作中次數區間:26-40 GHz。
導入自然損耗:在 40 GHz 時典型示范值一般選擇 1.1 dB,最多值一般選擇 1.8 dB。
隔離霜度:在 40 GHz 時不大臨界值 27 dB,常見指標值 39 dB。
電功率進行處理能力素質:在 26.5 GHz 下,是最高的連繼波額定功率達到 13 W(+85°C)。
變換速率:小于等于 30 納秒。
封裝的類型的類型:5 mm x 5 mm 的 20 引腳層壓封裝類型,契合 RoHS 標準單位。

與的同類型SPDT按鈕非常:
機型 | 服務商 | 概率(GHz) | IL@4GHz(dB) | ISO@4GHz(dB) | P1dB(dBm) |
MASW-011098 | MACOM | 0.1-12 | 0.8 | 30 | 32 |
SKY13370-381LF | Skyworks | 0.1-6 | 0.5 | 25 | 30 |
HMC544A | Analog | DC-13 | 1.2 | 35 | 33 |
PE4259 | Peregrine | 0.1-3 | 0.4 | 22 | 28 |
封裝形式與引腳的定義
二極管封裝面積:5 mm x 5 mm。
引腳總數量:20 引腳。
通常引腳作用:
RF1 和 RF2:頻射鍵盤輸入/導出端口處。
Bias 1 和 Bias 2:偏置直流電壓錄入。
GND:一定接地。
選用場合
l 空間科學部航天部與國家安全:預警雷達裝置、電子為了滿足電子時代發展的需求,戰機械及通訊衛星通信設備。
l 5G與毫米左右波溝通:高頻段表現路由與移動信號塔修改。
l 公測自動測量主設備:看作中頻電磁波方法變換的價值體系引擎。
西安市立維創展科技創新品牌授權進口代理MACOM設備線,包括現貨供應MACOM的可調增加收益增加器,馬力增加器,低噪音分貝增加器,線形增加器,混合式增加器,FTTx變大器,分布圖制作式變大器,變大器增加收益控制模塊,有源分割器,功分器,倍頻器,交織式混頻器,混頻器,上伺服電機器,自然數衰減器,自然數移相器,工作電壓撿驗器,壓控衰減器等多光電器件。如需進貨MACOM軟件,請點擊事件右則客服專員咨訊!!!