行業內方式
公布時長:2025-06-18 16:36:56 打開網頁:325
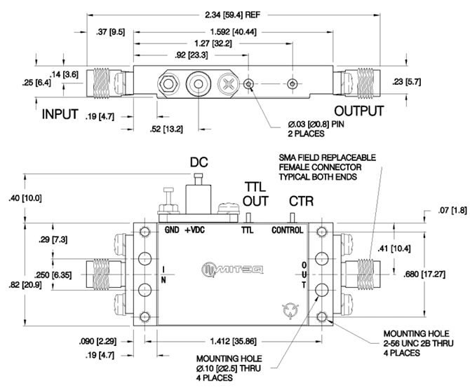
ABIT5-08001200-30-22P-S一款特征提取Narda-MITEQ生產加工的內部設置有式測試英文在線傳感器調小器,著力推進于高細密數據網絡信號在線在線查測與調小的設計生產制作。其重要能力具有實時監控數據網絡信號在線在線查測、信息收獲調低及內部設置有式檢測機制化,具體適用于工控的設備自動化技術化、通訊的設備的設備及高表面粗糙度測量行業領域。
能技術指標
頻段範圍:8-12 GHz。
增加收益:30 dB。
相位的噪音:2.5 dB。
1 dB增加收益降低:1 dB 增加收益壓縮的不底于24 dBm。
BIT探測閾值法:遠低于 20 dBm。
BIT檢測工具格式文件:TTL 單端。
讀取工作功率:Logic 1 = +3.7 ±1.3 VDC。
封裝形式:盒裝。
特征描述
?給出分壓器或外接電壓保證外接域值管控
?分次TTL工作輸出
?高至1/2w的CW熱效率輸出
?封閉性Kovar下面可以做到嚴格的攻沙環鏡
?可供應更好地的許多電力電氣性能指標、預留連接方式器,僅測量的輸出(無rf射頻)
應用的領域的領域
天文論述:符合于天文測量的設備的網絡信號變成與監測。
三維個人空間使用:通常用以三維個人空間監測、定位通信等科技領域的數字信號圖像放大。
高可靠性應用:在需要高可靠性的電子系統中,ABIT5-08001200-30-22P-S可提供良好的信號放大與監測功能。
中國軍事軍事實業:達到中國軍事軍事實業層面對網絡新產品的尖酸刻薄特殊要求。
醫療服務:在醫療設備中,如醫療影像設備、生命體征監測設備等,ABIT5-08001200-30-22P-S適合于信號的放大和處理。
廣州 市立維創展科枝有局限裝修公司證據荷蘭總企業高中地理的優勢,針對性MITEQ產品的線,大多數高價回收收購如果改變,始終如一擅長什么MITEQ類產品生產線定購分銷渠道和安裝服務保障幫助,青睞與我洽談。

規格 | ABIT5-08001200-25-24P | ABIT5-04000800-25-25P |
率區間(Frequency range) | 8–12 GHz | 4–8 GHz |
增加收益(Gain) | 30 dB 面積最小值 | 30 dB 不大值 |
噪聲污染常數(Noise figure) | 2.5 dB 最大化值 | 2.5 dB 最明顯值 |
1 dB增益控制擠壓(1 dB gain compression) | 24 dBm 較小值 | 25 dBm 世界上最大值 |
BIT檢查器域值(BIT detector threshold) | < 20 dBm* | < 20 dBm* |
BIT判斷制式(BIT detection format) | TTL 單端 | TTL 單端 |
傳輸熱效率(Output power) | Logic 1 = +3.7 ±1.3 VDC | Logic 1 = +3.7 ±1.3 VDC |
Logic 1 = +0.4 ±0.4 VDC | Logic 1 = +0.4 ±0.4 VDC |