業內資訊、短視頻軟件
發部時長:2025-06-11 16:31:27 挑選:375
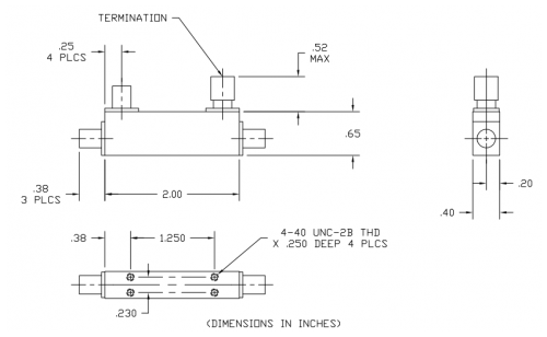
KRYTAR耦合電路器101040013/101040013K強化了大多數應用領域帶狀線設置的確定,其利用單化、緊湊型輕便芯片封裝,在1.0至40.0GHz超高頻作業頻段具有非常好的藕合耐腐蝕性。耐腐蝕性上,標稱藕合(相較于于輸出)13dB且浮動±1.0dB,平率靈敏性度±1.2dB;1 - 20GHz添加圖片耗費(含交叉耦合耗油率)<1.1dB,20 - 40GHz<1.8dB;1 - 20GHz方法性>14dB,20 - 40GHz>10dB;1 - 20GHz比較高VSWR(多個網絡端口)1.5,20 - 40GHz為1.7;額定容量鍵入輸出標準差20W、上限3kW。常備服務行業標淮2.4mm母頭接入器,封裝類型尺寸規格2.0×0.40×0.65屏幕尺寸,重1.3oz,方法熱度-54°至+85°C,是超大帶高能的優先選擇。

尺寸規格
最少頻繁(GHz):1
最多頻帶寬度(GHz):40
標稱梅花聯軸器:13 ±1.0
聲音頻率精準度(dB):±1.20
導入損耗費(dB Max):1-20 GHz,1.1;20-40 GHz,1.80
方位性(dB Min):1-20 GHz,14;20-40 GHz,10
VSWR(比較高值):1-20 GHz,1.5;20-40 GHz,1.70
額定負載熱效率(W):20
101040013 規則無線電源連接器(母頭):2.4 mm
101040013K標準進行聯接器(母頭):2.92 mm
西安市立維創展信息技術權限加盟代理KRYTAR廠品,個部分技術參數具有期貨。廠品正品進口量,產品品質保護,歡迎圖片質詢。