這個行業信息資訊
正式發布耗時:2025-06-05 16:46:19 手機瀏覽:304
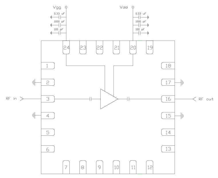
CMD229P4是款由Custom MMIC生育的寬帶網絡砷化鎵(GaAs)單支微波射頻集成型控制電路(MMIC)工作噪音小污染增加器(LNA),專為頻射(RF)選用設計的概念,享有出眾的噪音分貝性和增益值因素。CMD229P4采用了無引腳 4x4 mm 可塑料外表貼裝(SMT)二極管封裝。靠著其優秀的的性能和大中型化裝封,加入軍用、航天工程及頂級網絡通信軟件應用的不錯選取。
高技術規格
頻段領域:5 GHz 至 11 GHz(C 波長和 X 光波)。
增益值:26 dB。
噪聲污染比率:1.5 dB。
輸入 1 dB 降低點(P1dB):+13 dBm。
三階交調截點(OIP3):24 dBm。
是處于飽和狀態的輸出最大功率(Psat):約 +15 dBm。
辦公電流:3 V 至 5 V。
運轉直流電壓:45 mA。
芯片封裝類型、:4x4 mm 塑料管 QFN 打包封裝。
輸出阻抗適配:50 歐姆適應定制,不能自己內部電流閉塞和頻射表層適應

app情景
l 在軍事與核工業:于光電戰(EW)、Ck線預警雷達、Xk線聲納等,充分考慮高耐用性、低噪音要。
l 小行星無線通信:應中用空間定位通信網絡軟件系統,支持系統高頻率段4g信號傳導。
l 測量與測量:用作高頻各種測試設施設備,保障的信號檢測的精確性。
l 相控陣模式:看作相控陣汽車雷達或電力裝置的核心配置文件,提高高增益控制、低噪音的數據信號調大。
Custom MMIC建立于2006年,是家無晶圓頻射和微波射頻MMIC設計方案公司的,CUSTOM MMIC有所幫助各個企業便用相似型中建議的MMIC調整朋友的頻射數據鏈。CUSTOM MMIC是完美的ISO實名認證開發師和一類型好MMICs生產商商。CUSTOM MMIC提供數據連續的增長的性能卓越的參數微波射頻/紅外光MMIC設備線。
QORVO看做美利堅共和國著明的微波加熱與亳米波智領制作業商,為全宇宙訪客提拱至高型號規格的GaN和GaAs服務,Qorvo在2020年成功Custom MMIC并購。
山東市立維創展科技總部有局限總部商標授權地區代理賣出Custom MMIC企業品牌策略,假如供需受歡迎了解和咨詢我門!!!