TQP7M9105小型蜂窩基站5V高線性度驅動放大器 Qorvo現貨熱銷
2018-07-26 14:12:01
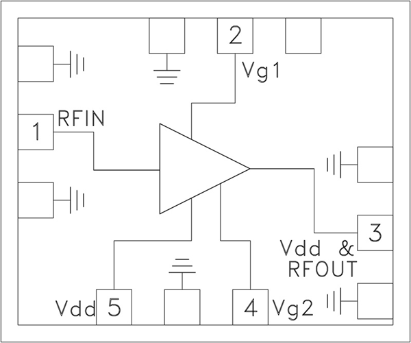
Qorvo的TQP7M9105是1W 5V家庭型蜂窩基站天線?高線型度安裝驅動拖動器,選用標準化SOT-89單單從表面貼裝封裝類型。在0.9 GHz時,TQP7M9105能給出19.4 dB收獲,超低49 dBm OIP3和+30 dBm收縮1dB電率,一同汲取至關低的220 mA工作電流。內控電路板不能拖動器能給出具“AB類”速率的“A類”線型耐磨性。TQP7M9105包括片上確保的額外添加知識產權用途,使其與市場的上的相關的產品有什么區別嗎來