服務業訊息
公布時段:2025-04-10 16:05:53 瀏覽器:380
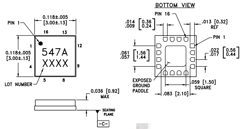
HMC547ALC3通用型帶寬高要進行隔離度非反射強度型GaAs pHEMT單刀雙擲(SPDT)按鈕,利用按照企業標準單位的3mm×3mm無引腳工業陶瓷外表貼裝封口科技。HMC547ALC3工作中頻段蓋住直流電壓(DC)至28.0 GHz,在全頻段的范圍內可實行相較于40 dB的串口要進行隔離度,此外始終維持復制到消耗大于2 dB的成績突出功效招生指標。
其特色的寬帶網的特點、最快設置本事及緊湊型轎車的芯片封裝開發,使其擁有日本軍事微電子戰/手機反擊軟件及高精確檢驗機械的很理想消除計劃書。HMC547ALC3使用-5V/0V相容負規律調整端電壓方式,不須外鏈偏置電壓既可以推動可靠作業,有用簡化法了系統開發有難度度。

特性
高消毒度:10 GHz時為45 dB
20 GHz時為39 dB
低復制到自然損耗:1.9 dB@10 GHz
2.2 dB@20 GHz
盡快變換:6ns
非閃光設計的
16芯衛浴陶瓷3x3mm SMT芯片封裝:9mm2
類型應該用
?光纖傳輸和寬帶網電信寬帶
?微波射頻遠程電和甚小圓孔徑終端門店
?軍工用wifi電、聲納和ECM
?測試測試機器設備
武漢市立維創展科學技術是ADI的分銷模式商,主要可以提供變大器、直線新品牌、參數轉換成器、音短視頻新品牌、帶寬新品牌、鐘表和隨機IC、光釬數據通信商品、插口和間格、MEMS和調節器器、電源模塊和熱經管、解決器和DSP、頻射和圖片加工電腦處理器、電開關和分發器等,食品原裝機外盤,價值優劣勢,歡迎大家資詢。
上一篇: 高速模數轉換器ADC時鐘極性與啟動時間