制造行業信息
公布耗時:2025-08-01 16:40:20 瀏覽記錄:71
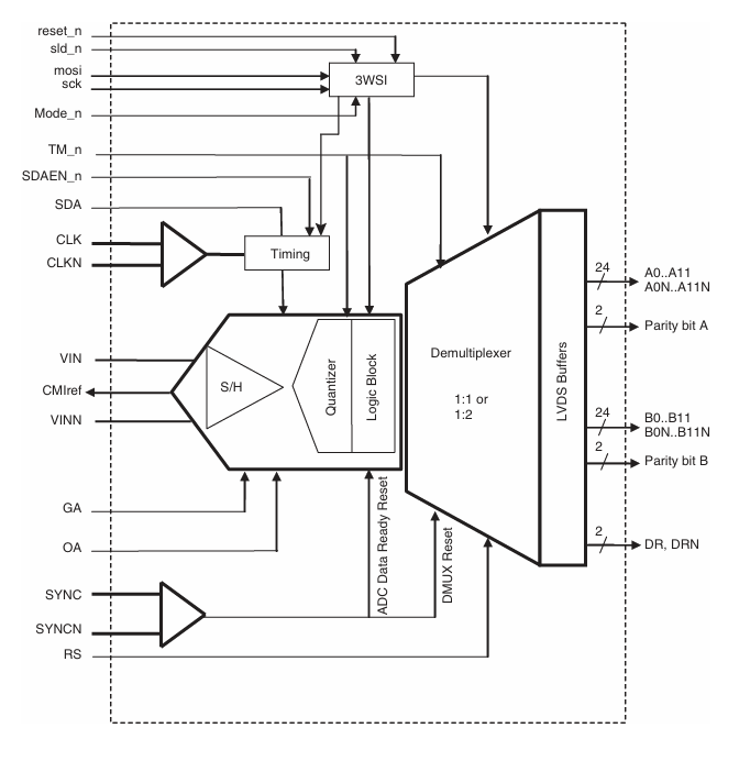
EV12AS200A的“監測時間延遲調準”職能本質特征上是在 ADC 監測掛鐘方法里導入一根可程序編程、步進電機控制 24 fs 的遲緩線(Delay Line)。根據亞皮秒級的時間間隔位移,把有所差異工作區或有所差異電源芯片的采樣系統沿拉到同個個相位依據,因此把最初由鬧鐘歪歪扭扭、PCB 接線差、電子器件內控外徑抽動等分享的模式相位隨機誤差偏低到 24 fs 重量級。
1. 相位測量誤差的來源
? 鐘表遍布傾斜:多片 ADC 或 FPGA 考慮端期間的鋪線的長度差、連入器公差、響應器延緩不一致性。
? 直徑發抖:ADC 室內抽樣轉換開關打開瞬息的時域震動。
? 熱漂移:溫波動出現硅延長、數據傳輸線相對介電常數波動,引發相位漂移。
2. 細調推遲線的型式
基帶芯片內部在抽樣數字時鐘投入(CLKP/CLKN)后面復制到一件數字8保持的反相器鏈,每級網絡延時 ≈ 24 fs,共 127 級 ≈ 3 ps 可以調整使用范圍。經過 7-bit 寄存器(Delay_Trim[6:0])刻錄,可以讓采樣系統沿綜合盡早或延后,步進驅動器只是 24 fs。

3. 相位可靠性強,精密度提拔的小學數學關心
? 關于 1.5 GSPS、3.3 GHz 滿電機功率上行速率,24 fs 匹配相位精度 ≈ 2π × 3.3 GHz × 24 fs ≈ 0.5°。
? 在相控陣、波束行成或 I/Q 解調平臺中,短信通道間相位測量誤差每消減 1°,波束方向誤差率可減短 0.5°,旁瓣抑制性提升 3–6 dB;或使正交解調鏡像系統減弱從 40 dB 提升自己到 50 dB 綜上所述。
? 24 fs 的步進驅動器遠少于設備鐘表晃動(其最典型的 100–200 fs RMS),如此可把“殘渣差值”壓進 1° 范圍之內,考慮mm波雷達探測、寬帶網絡通信網對相位相有效性的嚴峻耍求。
4. 真實實用標準流程
a. 上電后先讓擁有電子器件跑鎖定廷遲(0x00)。
b. 用外界校正源(舉例子 100 MHz 正弦交流電或之比相位的寬帶網 chirp)一起釋放各節點。
c. 進行 FPGA 計算方式不同管道的相位較差 Δφ。
d. Δφ 換算成時:Δt = Δφ / (2πf),再除 24 fs 取整,讀取數據 Delay_Trim 寄存器。
e. 再度抽樣印證,把殘留物誤差值壓到 < ±24 fs(即 < ±0.5°@3 GHz)。
5. 與冗余“字母插值”比起的長處
? 純模擬網廷遲線不增高數字6加工處理廷遲,也不是會帶來插值測量誤差;
? 推遲了調試在 ADC 內壁搞定,FPGA 端不必再做子監測偏移,降低成本形式邏輯影視資源;
? 體溫漂移可的動態房屋補償:系統可的連續性地抄襲操作步驟 a-e,完成閉環控制相位定位。
杭州立維創展自動化是Teledyne E2V的經銷處商,主要是供求關系Teledyne E2V法向齒轉變器和光電器件,可稱業主能提供 Teledyne E2V全系例 DAC(含宇航級淘汰)的挑選、考評板及高技術支撐。產品報價好處,青睞顧問。