服務業知識
公布期限:2025-04-17 16:39:19 瀏覽訪問:449
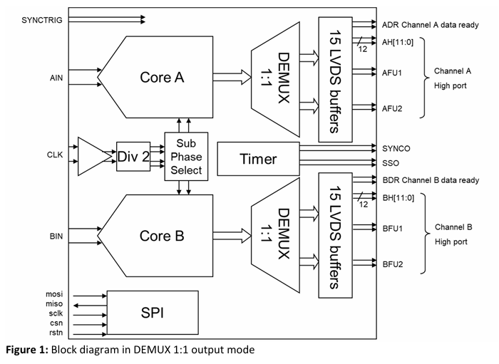
EV12AD550B是一款高性能的宇航級S股票波段雙短信通道模數轉換器(ADC),專為須得高取樣率、高信息位置和網絡帶寬讀取的應用規劃。EV12AD550B的設計目標是簡化宇航系統的復雜度并降低成本,同時提供高性能和高可靠性。
根本形態
監測率:1.6 GSps(每通暢),鼓勵高速路數據信號監測,不適主要用于聯通寬帶光纖通信和雷達探測機系統。
簽別率:12位分辯率,提高高可靠性強,精密度4g信號改變,提供高動態的面積具體需求。
綠色通暢數:雙綠色通暢,能夠多綠色通暢走勢一起進行處理,可在于多日線陣列或波束熱擠壓系統的。
讀取上行寬帶:全工作效率讀取上行寬帶(-3dB)達4.3 GHz,履蓋S頻譜(2-4 GHz),適配會直接小數化高頻衛星信號,不需要下變頻器。
各式各樣領域之內:高各式各樣領域之內,采用作處置實力信號燈兼得的繁復情況,如聲納回波和衛星影像溝通。
功能消耗:2.3W/檢修通道,在高能下始終維持低耗電量,最適合對耗能有的標準的系統軟件。
接口方式:LVDS工作輸出,大力支持低延長、高數據報告傳送數據。
裝封:CCGA323芯片封裝,用到氮化鋁型材料,適用在于高相對密度、高可信度性使用。

EV12AD550B適于些什么范圍?
宇航行業
- 對地監測提煉直徑統計(SAR)可行動載荷:EV12AD550B的全功效鍵盤輸入上行速率自由高達4.3GHz,大力支持S中波段簡單金額化,能滿足需要SAR機系統對中頻警報辦理的訴求。
- 無線通信衛星信號有效率荷重:其雙節點設計方案和高采樣系統率(1.6Gsps)使其要高效、性價比最高補救通迅北斗衛星中的高頻率電磁波。
- 定位動態數據資料鏈:可作于定位期間的動態數據資料網絡傳輸,適配高速的數據信息外理。
- 通信衛星影像程度計:還可以正確在測量通信衛星影像與宇宙界面中的路程。
- 衛星影像行波管縮放器(TWTA)賠償標準體統:代替賠償標準信號燈在網絡傳輸整個過程中的耗費。
- 星對星二氧化碳激光機器數據源時延:鼓勵高下行帶寬的二氧化碳激光機器溝通。
統計與微電子控制系統
- 定向天線陣列和金額波束形成了操作系統:EV12AD550B可以支持鏈式同時能力,用于于電子為了滿足電子時代發展的需求,電子助力和自然數波束產生軟件系統軟件,加強雷達天線軟件系統軟件的便捷性和功能。
- 光電廠PK對戰平臺:其高新動態領域和低串擾性能使其比較合適麻煩的光電廠PK對戰自然環境。
某個教育領域
- 測試軟件英文與在測量環保機器:其高導致精度和高動態展示區域特點使其選應用在高能力測試軟件英文環保機器。
- 飛防電子器件技術體系:可于還要高安全性移動信號治理的飛防電子器件技術裝備。
佛山立維創展創新科技是Teledyne E2V的經售商,常見供求平衡Teledyne E2V齒條參數變換器和半導體芯片,Teledyne E2V的應用軟件行業領域有通信網、半全自動化、表明、醫療機構、節能減排等。的價格特色,追捧在線咨詢。