HMC7149/HMC7149-SX氮化鎵(GaN) MMIC工作功率變大器 ADI外盤地區代理
分享時長:2018-06-22 16:02:59 網頁瀏覽:2370
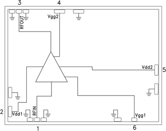
HMC7149是一個款10W氮化鎵(GaN) MMIC電機工作輸出阻抗變小器,事業幀率使用范圍為6至18 GHz。 一般是環境下,該變小器提供了20 dB的小數據報告信息增益值、+40 dBm的過飽和輸入電機工作輸出阻抗以其+39.5 dBm的輸入IP3(每數據報告信息音+28 dBm輸入電機工作輸出阻抗時)。 利用+28V直流外接電源外接電源時,HMC7149的輸出功率為680 mA。 RF I/O識別至50 Ω,可不可以更方便集成化到多電源集成電路IC芯片電源模塊(MCM)中。 其他機械耐磨性數據報告均能夠 機械相連至強度為1.02 mm (40 mil)的CuMo質粒的電源集成電路IC芯片添加,而另一個直徑為1.0 mil的焊線相連電源集成電路IC芯片至50 ?氧化物鋁發送新線路。
|
品牌
|
型號
|
描述
|
貨期
|
庫存
|
|
ADI
|
HMC7149
HMC7149-SX
|
10 W GaN MMIC功率放大器,6 - 18 GHz
|
現貨
|
100
|
HMC7149利用
HMC7149優勢和特點
-
高Psat: +40 dBm
-
Psat時的功率增益: +10 dB
-
高輸出IP3: +39.5 dBm
-
小信號增益: 20 dB
-
電源電壓: +28V (0.680 A)
-
50 Ω匹配輸入/輸出
-
芯片尺寸: 3.4 x 4.5 x 0.1 mm2
HMC7149結構圖
