HMC7357LP5GE/HMC7357LP5GETR中低電率變大器頻帶寬度5.5至8.5 GHz ADI現貨交易
發布新聞用時:2018-06-22 16:06:19 閱覽:2624
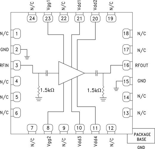
HMC7357也是款3級GaAs pHEMT MMIC中低檔公率擴大器,工作中頻率範圍為5.5至8.5 GHz。 該擴大器的增加收益為29 dB,過剩打出打出電率公率為+35 dBm,PAE為34%,電原打出電率為+8V。 HMC7357給予+41.5 dBm的出彩打出打出電率IP3穩定性,相當可以曲線適用,假如高發熱量點對點通信和點對多一些wifi電或VSAT/SATCOM適用——這一適用規定要求更具+35 dBm的高過剩打出打出電率公率。 RF I/O內部結構篩選至50 Ω,適用非常方便。 HMC7357利用無鉛5x5 mm朔膠表貼封裝,與表貼產生技術性兼容。
|
品牌
|
型號
|
描述
|
貨期
|
庫存
|
|
ADI
|
HMC7357
|
GaAs pHEMT MMIC 2 W功率放大器,5.5 - 8.5 GHz
|
現貨
|
120
|
HMC7357LP5GE操作
-
點對點無線電
-
點對多點無線電
-
VSAT和SATCOM
HMC7357LP5GE優勢和特點
-
Pout:+35 dBm (34% PAE)
-
高P1dB輸出:+34 dBm
-
高輸出IP3: +41.5 dBm
-
高增益: 29 dB
-
50 Ω匹配輸入/輸出
-
電源電壓: Vdd = 8V (1200 mA)
HMC7357LP5GE結構圖
