HMC7441/HMC7441-SX三級視頻GaAs pHEMT電機功率縮放器 ADI外盤一級地區代理商
上線周期:2018-06-21 15:39:47 搜素:2801
HMC7441也是款三級考試GaAs pHEMT最大耗油率變大器,事業次數依據為27.5至31 GHz。 該變大器的增益值為23 dB,過剩輸出最大耗油率為+34 dBm,PAE為25%,電源線交流電壓為6V。 HMC7441提高+38 dBm的表現出色輸出IP3耐腐蝕性,極為比較適合波形應用領域,列如Ka頻段VSAT、高發熱量點到點或點對多些wifi手機電——這一應用領域必須具+34 dBm的高質量過剩輸出最大耗油率。 RF I/O隔直并相匹配至50 Ω,能否便結合到多ICIC芯片組件(MCM)中。 所有的數據庫均主要包括50 Ω測量工裝治具中的ICIC芯片得出,該工裝治具進行1條直徑約為0.025mm (1 mil)、粗度為0.31 mm (12 mil)的焊線接入。
|
品牌
|
型號
|
描述
|
貨期
|
庫存
|
|
ADI
|
HMC7441
HMC7441-SX
|
GaAs pHEMT MMIC 2 W功率放大器,27.5 - 31 GHz
|
現貨
|
36
|
適用
-
點對點無線電
-
點對多點無線電
-
VSAT和SATCOM
-
軍事和太空
優勢與劣勢和特性
-
飽和輸出功率:
++34 dBm (25% PAE)
-
高輸出IP3: +38 dBm
-
高增益: 23 dB
-
直流電源: +6V (1,000 mA)
-
無需外部匹配
-
芯片尺寸: 3.18 x 2.84 x 0.1 mm
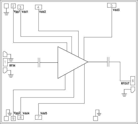
構造圖
