業內咨詢
上傳事件:2025-08-28 15:04:32 瀏覽訪問:22
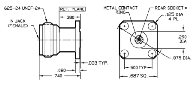
312-04SF是SOUTHWEST華中微波通信(Southwest Microwave)精密加工級 N 型母頭法蘭部進行安裝連接方式器,適合于 DC–18 GHz 寬帶網不一樣。護殼不銹鋼材質的渡金抗腐蝕,公司導體鈹銅渡金,不支持 0.085" 半剛/柔電線電纜。全頻段 VSWR ≤1.25:1,插損 <0.1dB(10GHz),電率 200W,耐溫性 -55°C 至 +165°C,500 次插拔相對穩定,可以密封性裝封,包含軍標及核工業企業認證,可使用核工業、相控陣無線等高安全可靠區域。
耐腐蝕性主要參數:
? 頻段:DC–18 GHz
? 法蘭部:0.687" 方 4 孔確定
? 接手機構針直勁:0.036"
? VSWR:1.15:1(明顯值)
? 高溫:-55 °C ~ +165 °C
? 供選擇密封二極管封裝,契合 MIL-STD-348 界面的標準
電器耐磨性:
額定電壓駐波比(VSWR):直式 ≤1.15(6 GHz 時),彎式 ≤1.25(6 GHz 時)。
導入不足:≤0.24 dB(6 GHz 時)。
耐電阻:2500 V rms;工作任務額定電壓:1000 V rms。
接觸電阻值:中心站接觸性電阻值 ≤1 mΩ,外導體電阻值 ≤1 mΩ。
隔絕阻值:≥5000 MΩ。
物理耐熱性:
藕合方式英文:5/8-24 外螺紋聯接,可以保障機械振動周圍環境下的可靠性。
穩定力:≥6 lbs(中心局導體)。
自動化設備時間:≥500 次插拔(動用鈹銅玩件時)。

情況融入性:
耐耐腐蝕性性:符合標準 MIL-STD-202 Method 101 基準。
振功:MIL-STD-202 Method 204 檢測能夠 。
設備構造與物料
護殼用于鋼和 CRES 耐熱合金 UNS S30300,大電流繼電器用于鈹銅 (BeCu) UNS C17300。
介電村料為純 PTFE 氟碳的材料,主接觸截獲應用常溫 Ultem 1000。
行為主體:銅合金鍍鎳,外表辦理耐生銹。
中間針:紅銅電鍍金,保證低碰觸電阻器與次數插拔固相關性。
絕緣性體:聚四氟丁二烯(PTFE)或聚裝修甲醛(POM),低消耗、耐溫度過高。
法蘭盤盤:4 孔正方形設計的概念,孔距 0.531",配適條件 0.750" 方腔或印刷廠印刷板。
接頭與兼容模式:
接器數據接口合乎 MIL-STD-348 標,兼備鼓出來金屬制的接地環,體現 360° 復合制與復合制遇到。
可與某個包含 MIL-STD-348 規則的微波射頻組件兼容。
應運的場景
數據通信機系統:
無線、移動通信基站、唯一被動/活躍基站天線零件。
廣播網自動化、WIFI 無線網絡、機氣對機氣網絡通訊。
工業企業區域:
預警雷達機 、頻射消融根治儀。
測驗沖壓模具、高熱效率微波射頻信息模塊。
空航航空:
北斗衛星溝通、相控陣定向天線裝置。
無法 NASA/ESA 釋氣審核標準要求。
相關內容類型:
312-01SF、312-02SF、312-03SF 等,移動用戶可給出具體實施需要量選合適的的產品型號。
蘇州市立維創展科技信息收獲SOUTHWEST大西南微波射頻大區域款式保證期貨軟件,并積極配合保證能力鼓勵與售后維修工作,感謝咨詢了解。