制造業信息
推送時間:2025-07-18 16:22:13 瀏覽記錄:75
KRYTAR的101040020/101040020K合體器提升了多工作帶狀線制定的選,這樣的制定在 1.0 至 40.0 GHz 的過寬帶頻帶寬度范疇內展示出出成績突出的藕合效能,配用唯一化、主體工程型和攜便的二極管封裝的形式。
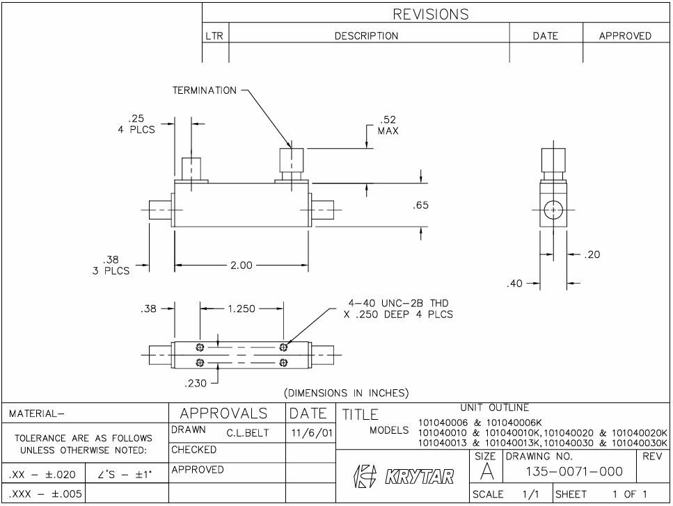
與此同時,101040020/101040020K還提供了優美的功效層級,包涵 20 dB 的標稱藕合(取決于于輸出精度)、±1.0 dB 和±1.2 dB 的頻點精準性。專向藕合器的進到這一領域耗用(還包括藕合工作效率)高于 0.85 dB (1-20 GHz)和如果低于 1.5 dB (20-40 GHz),定位性低于 14 dB (1-20 GHz)和遠遠超出 10 dB (20-40 GHz),至高 VSWR(不同接口)為 1.5 (1-20 GHz)和 1.7 (20-40 GHz),電機額定電率顯示電率為平均值 20 W,極限數值 3 kW。定向就業藕合器配用企業條件的 2.4 mm 母頭接器。緊密的芯片封裝標準僅有 2.0 9英寸(L) x 0.40 寸大(W) x 0.65 4英寸(H),含水量僅有 1.3 oz。操作方法室溫為 -54°至 +85° C。

規格型號數據
較大頻帶寬度(GHz):1
最低率(GHz):40
標稱藕合:20 ±1.0
頻繁迅敏性(dB):±1.20
放消耗的資金(dB max):
1-20 GHz,0.85;
20-40 GHz,1.50;
導向性(dB min):
1-20 GHz,14;
20-40 GHz,10;
VSWR(最高值):
1-20 GHz,1.5;
20-40 GHz,1.70;
固定功效(瓦特):20
101040020準則相防水連接器(母頭):2.4 mm
101040020K標準單位接入器(母頭):2.92 mm
非常典型應用軟件
光電子戰、5G/北斗衛星安全可靠、聲納手機信號監控
大電機工作效率增加器百度在線電機工作效率探測、無線漫反射指數公式測量方法
的空間異常的機載/星載網絡平臺(緊密 0805 級面積)
山東市立維創展社會許可銷售商KRYTAR企業新產品,部位規格型號常備現貨黃金。企業新產品原裝機國外,高質量確認,歡迎語咨訊。