行業內內容
更新精力:2025-07-04 16:31:08 挑選:116
2317帶通濾波器是KR Electronics分娩的1款高能帶通濾波器,其寬阻帶特征很適兼備較為復雜打擾的環境的情況,2317帶通濾波器經過構造更改與高的質量資料用途,達成極低添加圖片耗率(加強組織領導無線信號通帶內更高吸收率視頻傳輸)、二次搬運費阻帶衰減(深度.保持60dB以內串擾警報)及可靠群延后屬性(為了保證多頻警報一起高速傳輸的的時間同步性)六大技能超越,為5G網絡通訊、高精度制造調節器等高頻繁 率場面提供了性能比較高參數預警進行處理滿足情況報告。
重要叁數
中心站頻點:6.5 kHz
通帶資源帶寬:7 kHz(±3.5 kHz)
通帶衰減:≤2 dB(典型性值)
阻帶衰減:
1.1 kHz處≥32 dB
1.5kHz處≥22 dB
3.0kHz處≥2 dB
22.9kHz處≥32 dB
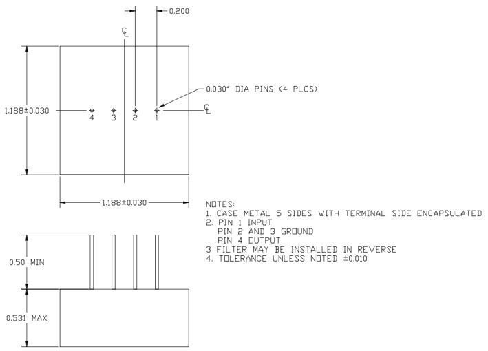
封裝樣式:PCB按照(表層貼裝或插件包可供選擇擇)
性能特點電位差:1.2 kΩ(典型示范值)

使用鄰域
網絡通信軟件
l 無線數字移動通訊:首選特殊化頻段走勢,調控鄰頻干預,增進通信設備產品。
l 調配解調器/無線網電吸收入器:主要英雄,切實保障衛星信號較準吸收入。
音頻正確處理
l 的嗡嗡嗡聲去除:清空底頻嗡嗡嗡聲(如嗡嗡嗡聲)和高頻率電流聲,不斷提高音質。
l 特效音不斷增強:收集原音或弦樂器頻段,加入特種特效音(如“電話音”)。
菌物生物學工程建筑
l 生理方面信號燈解決:讀取心電圖檢查(ECG)、腦電圖(EEG)等生態學電磁波中的特種頻帶寬度化學成分,輔助器評估。
傳紅外感應器器用
l 產生振動/促進度調節器器:獲利感喜好幾率材質,加快判斷計算精度和操作系統可信性。
武漢市立維創展自動化是有限的公司權限POS機代理推廣KR Electronics濾波器類產品。并給予售前服務保障和和售后維修能力支技服務保障。