企業房產資訊
發表時刻:2025-03-12 15:37:34 打開網頁:461
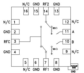
HMC547ALP3E也是款由Analog Devices (ADI) 出具的帶寬高消毒度非折射式 GaAs pHEMT SPDT(單刀雙擲)頻射打開,采用在從 DC 到 20 GHz 的寬頻段應用。HMC547ALP3E含有高特點、高穩定性、高隔離防曬度和低復制自然損耗的優勢特點,選主要用于汽車雷達、通訊衛星網絡通訊、測驗產品等低頻采用場地。

核心性質
頻繁 時間范圍:DC 至 20 GHz,適合于帶寬用。
高消毒度:
在 5 GHz 之下,隔絕度 >50 dB。
在 15 GHz 左右,隔離防曬度 >45 dB。
低插進耗損率:舉例值一般選擇 2 dB,為了保證信號燈傳輸數據的有效率性。
的控制邏輯思維:適用互補性負調節電壓值方法(-5V/0V),不須偏置電源模塊。
封口:狹窄的 16 引腳 LFCSP EP(帶裸漏焊盤的引線架構單片機芯片級封裝類型),更適合接觸面貼裝。
的環保正規:具有 RoHS 規定,無鉛開發。
軟件應用前沿技術
信號塔基礎性油煙凈化器:應用在的信號燈塔中的微波射頻的信號燈切回和路由,抓好的信號燈的比較穩定無線傳輸和提高效率外理。
光仟與網絡帶寬通信技術:在光纖傳輸光纖網絡通信體統體統和聯通寬帶電信寬帶網中,變現數據信號的轉換和管理,有保障光纖網絡通信體統的可信性和靈便性。
紅外光wifi手機電與 VSAT:可用以微波加熱手機無線電文件傳輸和甚的小圓孔徑POS機(VSAT)系統化,保持各個端口相互的數據信號切回。
中國國防行業:在軍工用無線路由電、雷達天線和電子技術打敗(ECM)等設施設備中,采用怏速設置成各種不同的工作任務策略或電磁波相對路徑。
各種測試檢測設備儀表板:快速可用于測試機器設備中的網絡數據的4g信號路由和設置,如網絡數據開始講解儀器、網絡數據的4g信號產生器等,便對不一樣網絡數據的4g信號開始測量和開始講解。
廣州 市立維創展科技創新是ADI的分銷模式商,關鍵提供了圖像運放電路、波形車輛、參數變換器、音短視頻車輛、寬帶網絡車輛、掛鐘和要定期IC、光纖傳輸網絡通信商品、界面和每隔、MEMS和傳控制器器、外接電源和熱經管、整理器和DSP、rf射頻和組合圖形補救器、觸點開關和分配比例器等,產品的正品外盤,價格多少長處,歡迎詞了解。
上一篇: 高速模數轉換器ADC時鐘極性與啟動時間