產業知識
分享精力:2024-12-04 17:08:25 查看:810
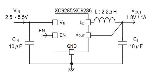
XC9286系列作品是款嵌到P激光切割端面驅動程序FET和N橫截帶動FET的1.0A同步操作整流減壓DC/DC更換器。
XC9286系列的降血壓數據同步整流DC/DC裝換器輸出的相電壓都可以在 0.8V 至 3.6V 區間之中以 0.05V 時間間隔使用合適配置。僅有的表面安全裝置是電感初級線圈和電容(高壓電容等)器。
HiSAT-COT控住的極速瞬態回應技術水平也可以在負載電阻阻尼振蕩當天將效果交流電壓降下去較低,特意是和FPGA和必須要內容輸出的電壓可靠的性的系統等瞬時環境下起伏相對較大的利用領域行業。
可根據app,不錯憑借 SOT-25 和 USP-6C 選定擇封裝類型。

功能
復制粘貼電阻 2.5V ~ 5.5V
輸出電壓電流范圍圖 0.8V~ 3.6V (±2.0%)
所在直流電壓 1.0A
頻點時間范圍 1.2MHz
轉化率 92%
(VIN=3.8V,VOUT=1.8V,IOUT=200mA)
電流量衰減 15μA
制動器模式 HiSAT-COT操縱
PWM/PFM自動化調控控住
護理部件 熱關斷
直流電壓束縛
燒壞保護性(B型)
用途 軟無法
UVLOCL蓄電池放電(B型)
放入輸入電感 兼容工業陶瓷電容(電容器)
操作的溫度 -40℃ ~ 105℃
成都市立維創展科技開發十分有限集團公司其優勢渠道分銷TOREX外接電源集成電路芯片,廣泛現貨平臺倉庫,熱情接待聯系。
型號查詢 | 內型 | 工作輸出電流 | 辦公速度 | 封裝類型 |
| XC9286A08CMR-G | 無CL發出電,無短路故障守護 | 0.8V | 1.2MHz | SOT-25 |
| XC9286A0LCMR-G | 無CL充放,無跳閘保護英文 | 0.85V | 1.2MHz | SOT-25 |
| XC9286A09CMR-G | 無CL電流,無斷路庇護 | 0.9V | 1.2MHz | SOT-25 |
| XC9286A0MCMR-G | 無CL蓄電池充電,無擊穿保護英文 | 0.95V | 1.2MHz | SOT-25 |
| XC9286A10CMR-G | 無CL釋放電能,無不導通自我保護 | 1V | 1.2MHz | SOT-25 |
| XC9286A1ACMR-G | 無CL自放電,無漏電愛護 | 1.05V | 1.2MHz | SOT-25 |
| XC9286A11CMR-G | 無CL釋放,無出現短路愛護 | 1.1V | 1.2MHz | SOT-25 |
| XC9286A1BCMR-G | 無CL發出電,無出現短路守護 | 1.15V | 1.2MHz | SOT-25 |
| XC9286A12CMR-G | 無CL發出電,無虛接保護區 | 1.2V | 1.2MHz | SOT-25 |
| XC9286A1CCMR-G | 無CL擊穿,無串電保護 | 1.25V | 1.2MHz | SOT-25 |
| XC9286A13CMR-G | 無CL電池充電,無燒壞保護的 | 1.3V | 1.2MHz | SOT-25 |
| XC9286A1DCMR-G | 無CL發出電,無斷路養護 | 1.35V | 1.2MHz | SOT-25 |
| XC9286A14CMR-G | 無CL蓄電池放電,無斷路維護 | 1.4V | 1.2MHz | SOT-25 |
| XC9286A1ECMR-G | 無CL電池充電,無串電保護的 | 1.45V | 1.2MHz | SOT-25 |
| XC9286A15CMR-G | 無CL釋放,無漏電保護好 | 1.5V | 1.2MHz | SOT-25 |
| XC9286A1FCMR-G | 無CL充放,無跳閘保護區 | 1.55V | 1.2MHz | SOT-25 |
| XC9286A16CMR-G | 無CL電流,無過壓維護 | 1.6V | 1.2MHz | SOT-25 |
| XC9286A1HCMR-G | 無CL電流,無短路故障確保 | 1.65V | 1.2MHz | SOT-25 |
| XC9286A17CMR-G | 無CL自放電,無短路故障保護英文 | 1.7V | 1.2MHz | SOT-25 |
| XC9286A1KCMR-G | 無CL充放電,無燒壞保養 | 1.75V | 1.2MHz | SOT-25 |
| XC9286A18CMR-G | 無CL充放電,無擊穿保護好 | 1.8V | 1.2MHz | SOT-25 |
| XC9286A1LCMR-G | 無CL發出電,無串電自我保護 | 1.85V | 1.2MHz | SOT-25 |
| XC9286A19CMR-G | 無CL尖端放電,無串電呵護 | 1.9V | 1.2MHz | SOT-25 |
| XC9286A1MCMR-G | 無CL電池充電,無虛接保護 | 1.95V | 1.2MHz | SOT-25 |
| XC9286A20CMR-G | 無CL電池充電,無出現短路養護 | 2V | 1.2MHz | SOT-25 |