市場新聞資訊
推出時:2023-08-01 16:37:22 瀏覽網頁:6650
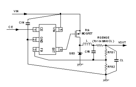
TOREX的XC9221題材是多系統穩壓DC/DC把控器IC。給該集成塊外表具備這種觸點開關元件,這種使用率電感,這種一級管和兩大電感就能刷快這種高效益率,相應維持的,導出感應電流高至3A的面板開關供電。能運用低ESR電感器舉例陶瓷廠家電感器作為其輸送電感器。
XC9221系例的控制模塊有叉0.9V(±1.5%)基準面電流降,用外置取樣電阻功率就不錯直接更改輸出電流降。任務頻點為300kHz,500kHz和1MHz,
XC9221系列作品把控好器能安全使用成長型型外界元器件封裝。爭對軟通電天數,XC9221A和C系是室內使用為4ms,XC9221B和D一系列可以在外鏈設制。XC9221全系列把握器配備內置的UVLO(欠壓鎖閉)模塊性,當搜索電壓值高于2.3V或更低實際情況下,靜態的P外圓按鈕器材就可以被立即性關機。
基本特征
工作上線電壓區域:2.8V~16.0V
讀取電流值外觀因素:0.9V(精準的度±1.5V)
業務頻段:300k,500k,1.0MHz
保持最簡單的方法:PWM/PFM會自動運行保持
帶軟通電性:內部組織添加4ms(TypeA500kHz),外面制定(TypeB)
出現短路維護:兌換積分維護1.0ms(A,B類),不導通守護
低ESR電解電阻:瓷磚電解電阻
TOREX半導體行業其主要作為COMS、感知器、肖特基二極管等元功率器件,車輛以小空間、性優良而著明。
河南市立維創展科技非常有限工司非常有限工司,優劣勢代銷TOREX開關電源元器件封裝,不少外盤交易量,喜愛合作方式。
祥情學習TOREX請選擇://anchor-appliance.cn/brand/62.html

型號查詢 | Type | Output Voltage | Oscillation Frequency | Packages |
XC9221A093ER-G | Soft-start internally set with integral protection function | FB type | 300kHz | USP-6C |
XC9221A093MR-G | Soft-start internally set with integral protection function | FB type | 300kHz | SOT-25 |
XC9221A095ER-G | Soft-start internally set with integral protection function | FB type | 500kHz | USP-6C |
XC9221A095MR-G | Soft-start internally set with integral protection function | FB type | 500kHz | SOT-25 |
XC9221A09AER-G | Soft-start internally set with integral protection function | FB type | 1.0MHz | USP-6C |
XC9221A09AMR-G | Soft-start internally set with integral protection function | FB type | 1.0MHz | SOT-25 |
XC9221B093ER-G | Soft-start externally set with integral protection function | FB type | 300kHz | USP-6C |
XC9221B093MR-G | Soft-start externally set with integral protection function | FB type | 300kHz | SOT-25 |
XC9221B095ER-G | Soft-start externally set with integral protection function | FB type | 500kHz | USP-6C |
XC9221B095MR-G | Soft-start externally set with integral protection function | FB type | 500kHz | SOT-25 |
XC9221B09AER-G | Soft-start externally set with integral protection function | FB type | 1.0MHz | USP-6C |
XC9221B09AMR-G | Soft-start externally set with integral protection function | FB type | 1.0MHz | SOT-25 |
XC9221C093ER-G | Soft-start internally set without integral protection function | FB type | 300kHz | USP-6C |
XC9221C093MR-G | Soft-start internally set without integral protection function | FB type | 300kHz | SOT-25 |
XC9221C095ER-G | Soft-start internally set without integral protection function | FB type | 500kHz | USP-6C |
XC9221C095MR-G | Soft-start internally set without integral protection function | FB type | 500kHz | SOT-25 |
XC9221C09AER-G | Soft-start internally set without integral protection function | FB type | 1.0MHz | USP-6C |
XC9221C09AMR-G | Soft-start internally set without integral protection function | FB type | 1.0MHz | SOT-25 |
XC9221D093ER-G | Soft-start externally set without integral protection function | FB type | 300kHz | USP-6C |
XC9221D093MR-G | Soft-start externally set without integral protection function | FB type | 300kHz | SOT-25 |
XC9221D095ER-G | Soft-start externally set without integral protection function | FB type | 500kHz | USP-6C |
XC9221D095MR-G | Soft-start externally set without integral protection function | FB type | 500kHz | SOT-25 |
XC9221D09AER-G | Soft-start externally set without integral protection function | FB type | 1.0MHz | USP-6C |
XC9221D09AMR-G | Soft-start externally set without integral protection function | FB type | 1.0MHz | SOT-25 |