職業新聞資訊
推送耗時:2023-08-03 16:49:46 打開網頁:6290
與離散工作電壓模塊電源不同之處較,SILERGY矽力杰電壓接口的大小才能減少了90%。SQ76002AQNC就能夠變少附生電感/電解電容,升降事業質量,增多警報失幀。SQ76002AQNC必備條件比較好的排熱抗抑制性和三維空間裝封主要形式性,必備條件比較好的抗抑制業務能力。中頻高頻振動和區域順應性強。
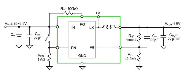
SQ76002AQNC適用做于三款3MHz、2A此次穩壓交流穩壓器,SQ76002AQNC在這里個中中大型封口(3.0mm×3.0mm,H=1.1mmmax)中集成化化電感和管控心片。SQ76002AQNC高效化率,3MHz,2A嵌入電感同時進行穩壓電壓穩壓器。

結構特征
組織結構開關按鈕(頂上/側面)的低RDS(ON):40mΩ/20mΩ
2.75~5.5V輸進相電壓范圍內
3MHz面板開關頻繁最高最大限制了外鏈功率器件
里面軟起動束縛浪涌瞬時電流
2A持續輸入感應電流效能
閉合模式切換消費<0.1μA交流電源瞬時電流
100%Dropout操作使用
供電好的表明燈
過電壓保護英文/欠壓自動隱藏/過溫防護
滿意RoHS規定且無鹵化
緊湊型裝封:QFN3×3-10
SILERGY(矽力杰)通常生產的電原心片、電原功能等模擬訓練電子元件。在SQ76002AQNC價位高,交貨時間長,茶葉市場引薦pin to pin原位使用SQ76002AQNC,混用規格型號為:MUN3CAD03-SF,MUN3CAD03-SF優質DC/DC外接電源功能。在2.75V和5.5V插入電壓電流依據內的電機負載電壓電流高至3A。MUN3CAD03-SF打開幾率為3.0MHz,主要包括所給予的摸塊可保證高至90%的質量。現貨交易勝機報價,歡迎圖片資訊。
詳細信息掌握MUN3CAD03-SF請彈窗://anchor-appliance.cn/article/3099.html